EasyManua.ls Logo

Bruker B-ACS 60 - Figure 11.29.BMP-SIOA Circuit Diagram

Bruker B-ACS 60
167 pages
To Next Page IconTo Next Page
To Next Page IconTo Next Page
To Previous Page IconTo Previous Page
To Previous Page IconTo Previous Page
Loading...
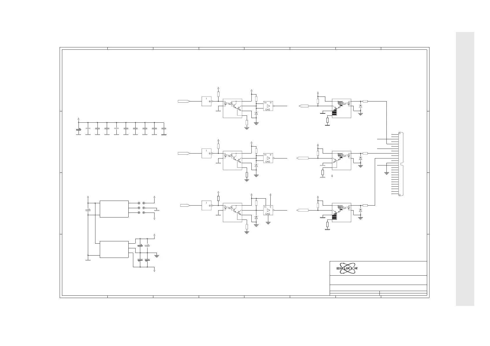
94 (167) BRUKER Installation Manual Version 001
Circuit Diagrams
Figure 11.29.BMP-SIOA Circuit Diagram Page 2
8
7
6
5
4
3
2
1
A
B
C
D
1
2
3
4
5
6
7
8
D
C
B
A
-RTS
R21
390R
11
10
U3E
74LS05
2
3
8
6
5
7
U5
6N139
VCC
+12V
R7
3k3
D5
ZPD 4V7
RTS
4
5
6
U11B
DS1488
VCC
2
3
8
6
5
7
U12
6N139
R12
3k3
RXD
R15
3k3
D1
1N914
-RXD
2
3
4
5
6
7
8
9
10
11
12
13
14
15
16
17
18
19
20
21
22
23
24
25
26
1
SIOA
3M 26PIN MALE H
-TXD
R23
5k6
R10
3k3
VCC
C15
C10
C11
C12
C13
9x
C14
100n
VCC
C7
C8
C9
C6
10u
-DTR
R22
390R
2
3
8
6
5
7
U4
6N139
9
8
U3D
74LS05
+12V
R8
3k3
R11
3k3
DTR
12
13
11
U11D
DS1488
D6
ZPD 4V7
VCC
2
3
8
6
5
7
U14
6N139
R25
5k6
R14
3k3
-CTS
R17
3k3
D3
1N914
RTS
DTR
CTS
DSR
VCC
VCC
+12V
-12V
R6
3k3
VCC
R20
390R
13
12
U3F
74LS05
+12V
1
2
J2
+5V IN
2
DGND IN
1
+12V
5
OUT GND
4
-12V
3
DC2
AD1D12A10
VCC
C1
33u
1
2
J3
1
2
J1
-12V
TXD
2
3
8
6
5
7
U6
6N139
R9
3k3
D4
ZPD 4V7
2
3
7
1
41
U11A
DS1488
-TXD
R24
5k6
2
3
8
6
5
7
U13
6N139
R13
3k3
-DSR
R16
3k3
D2
1N914
+12V
C3
4x
C2
C4
C5
10u
+5V IN
1
DGND IN
12
+12V
14
OUT GND
22
-12V
23
DC1
QA12-12
-12V
Title:
Board Part No.: H650
Print No.: H3P0423B
Document No.:
Filename: sampsio2.she
Print Part No.: H651
BRUKER ELEKTRONIK GmbH
B - ACS BMP SIOA
Sheet
of
Date: 27.7.1995
EC-Level: 01
Designer: Kleeberg
2
2

Table of Contents