EasyManua.ls Logo

Diesse Chorus - Appendixes; Windows Flow-Chart

Default Icon
127 pages
Print Icon
To Next Page IconTo Next Page
To Next Page IconTo Next Page
To Previous Page IconTo Previous Page
To Previous Page IconTo Previous Page
Loading...
Manuale operativo
CHORUS
Rev. 0 del 06/2012 89
Test/Smp
ARCHiVE
RESULT
archive
check
utility
C-List
START
keyb
ident
run
exit
keyb
host
delete
Start_up
print
host
prtkin
VIEW
recalc
R-List
C-LiST
exit
R-LiST
CHECK
Chk Ini
ChkHyd
ChkOpt
exit
exit
RUN
Stop
Print
Host
Print Kin
Page
Auto
calib
Test/Smp
Page
MOD
ERR
end
Page
Page
Delete
Page
Page
exit
View
UTiLiTY
exit
ERR
Reserv
Setting
Remote
SETTiNG
Clock
Audio
Contr
Lang
REMOTE
Dial
Hang up
Modif
exit
Delete
Start up
Prim
Wash
Sanit
AUDiO
mem exit
Fast
CONTRAST
mem exit
LANGUAGE
User English
CLOCK
mem exit
Fast
exit
ERR
exit
Tks Id
confirm?
No Yes
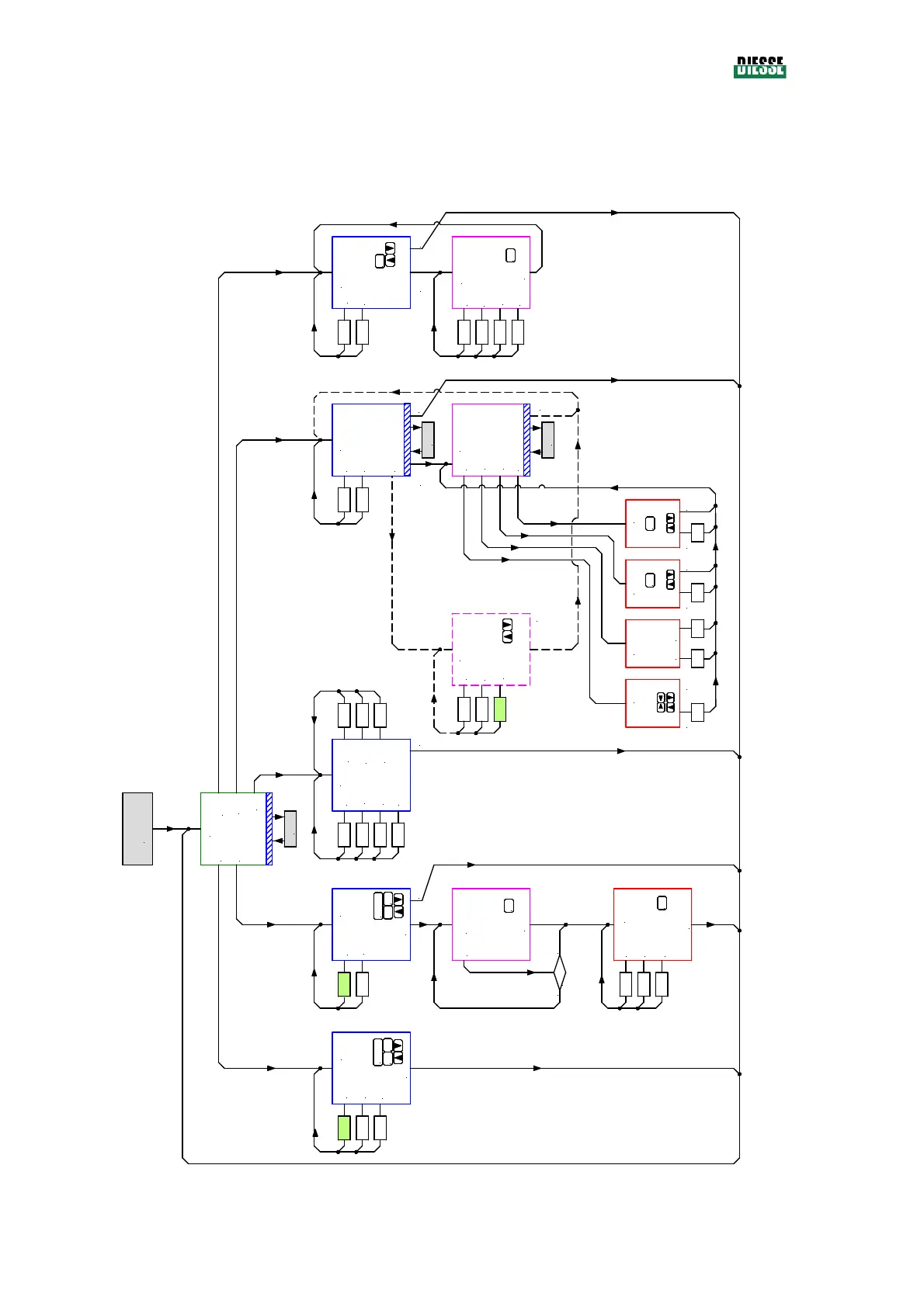
5 APPENDIXES
5.1 WINDOWS FLOW-CHART
Note: The dotted blocks are functioning only if the modem is enabled.

Table of Contents

Related product manuals