EasyManua.ls Logo

Ducati SS1000DS - 2 Schema Impianto; Schema Iniezione - Accensione

Ducati SS1000DS
528 pages
Print Icon
To Next Page IconTo Next Page
To Next Page IconTo Next Page
To Previous Page IconTo Previous Page
To Previous Page IconTo Previous Page
Loading...
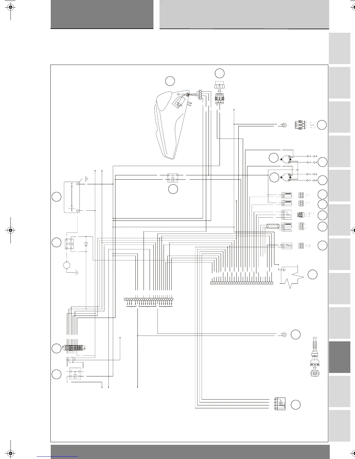
Impianto iniezione - accensione
Ignition - injection system
sezione / section
M 2
9
A
B
C
D
E
F
G
H
L
M
N
P
edizione/edition 03-03
2 - SCHEMA IMPIANTO
Schema iniezione -
accensione
2 - SYSTEM DIAGRAM
Fuel injection-ignition
system diagram
1
2
OPOTMOT
V
SSS
AIR/PRESS
IAW59M
V
OIL
O
R
B/W
Bk
f
f
f
f
f
f
f
f
f
f
Bn/W
O/W
f
f
f
f
f
f
+
R
Bk
Bk
Bk
Bk/G
Bn/G
G/Y
P/Y
O
R/Bk
R/B
f
f
f
f
f
f
Bk/V
Bk/V
W
Bn/W
Bn/W
RRR
1N4007
KA
G/Bk
Bn/R
Gr/R
Bk/V
O/B
P/Bk
R/w
R/B
O/W
Gr/B
Gr/G
P/Y
G/Y
Bk/G
B/Y
B/W
B/Bk
Y/G
R/W
R/B
R/B
R/Bk
R/Bk
W/B
R/B
B/W
R/W
B/Y
O/B
Y/G
P/Bk
Bk
Bk
Y
R
G
B
R
Bn
R
Bn
R
Bn
R
W
CAVO SCHERMATO 1A
CAVO SCHERMATO 1B
CALZA CAVO SCHERMATO
O
G
B
W/R
Bn/Bk
Bk
Bn/G
Gr/G
Gr/B
Bn/W
Bn/Bk
Bn
Bn
G/Bk
Bn/R
Gr/R
Bk/V
W
Bk
R/W
Bk
Bn
R/Bk
W/R
Bk
1
SC 1
TUTTI I CONNETTORI SONO VISTI DA 'C'
ALL CONNECTORS ARE VIEWED FROM 'C'
C
Bn/W
Bn/W
12
AMP
3
38
W/R
N.C.
GND
Bk
12
AMP
3
O
BODY 17 (KEYSENSE)
BODY 38 (HIFANRQ)
ENGINE 35 (VRS-)
ENGINE 25 (VRS+)
ENGINE 28 (INJCYL1)
ENGINE 37 (INJCYL2)
ENGINE 10 (IGN2)
ENGINE 38 (IGN1)
BODY 16 (SERIAL_K)
BODY 6 (FPUMPREL)
ENGINE 29 (SNS_GND2)
ENGINE 13 (MAP)
ENGINE 14 (AIRTEMP)
ENGINE 20 (SNS_GND1)
ENGINE 34 (SHIELDGND1)
ENGINE 3 (TPS)
ENGINE 5 (WATTEMP)
BODY 9 (TACHOUT)
BODY 4 (PWRSPLY)
ENGINE 32 (SNS_SPLY1)
ENGINE 22 (SNS_SPLY2)
BODY 7 (KEY_LOCK)
G/Y
P/Y
Bn/G
Bk/G
B
A
C
BODY 27 (ACIN)
ACB
1
2
2
1
2
2
Bn/W
BODY 28 (LWFANRQ)
BODY 13 (WARNLAMP)
BODY 1 (O2HEAT2)
BODY 33 (MINITANK)
ENGINE 23 (OILPRESS)
1
2
CALZA C. SCH.
C. SCH. 1B
C. SCH. 1A
1
2
3
4
5
6
7
8
9
10
11
12
13
14
15
16
+-
M
85
86
87
30
ABC
+
-
43 12
B/W
Bk
B/W
Bk
*
*
*
*
*
*
*
*
*
*
*
*
Vedi "SCHEMA ELETTRICO" nella Sezione "P"
See "ELECTRICAL DIAGRAM" in "P" Section
*
*
5
6
7
8
9
10
11
12
13
14
15
20
19
2
1
3
4
18
17
16
'8&PRB66B0EERRN3DJH:HGQHVGD\0DUFK30

Table of Contents

Related product manuals