EasyManua.ls Logo

Extra 300LX - Electrical System Schematic

Extra 300LX
515 pages
Print Icon
To Next Page IconTo Next Page
To Next Page IconTo Next Page
To Previous Page IconTo Previous Page
To Previous Page IconTo Previous Page
Loading...
CHAPTER 24
PAGE 4
PAGE DATE: 1. March 2011
MAINTENANCE MANUAL EXTRA 330LX
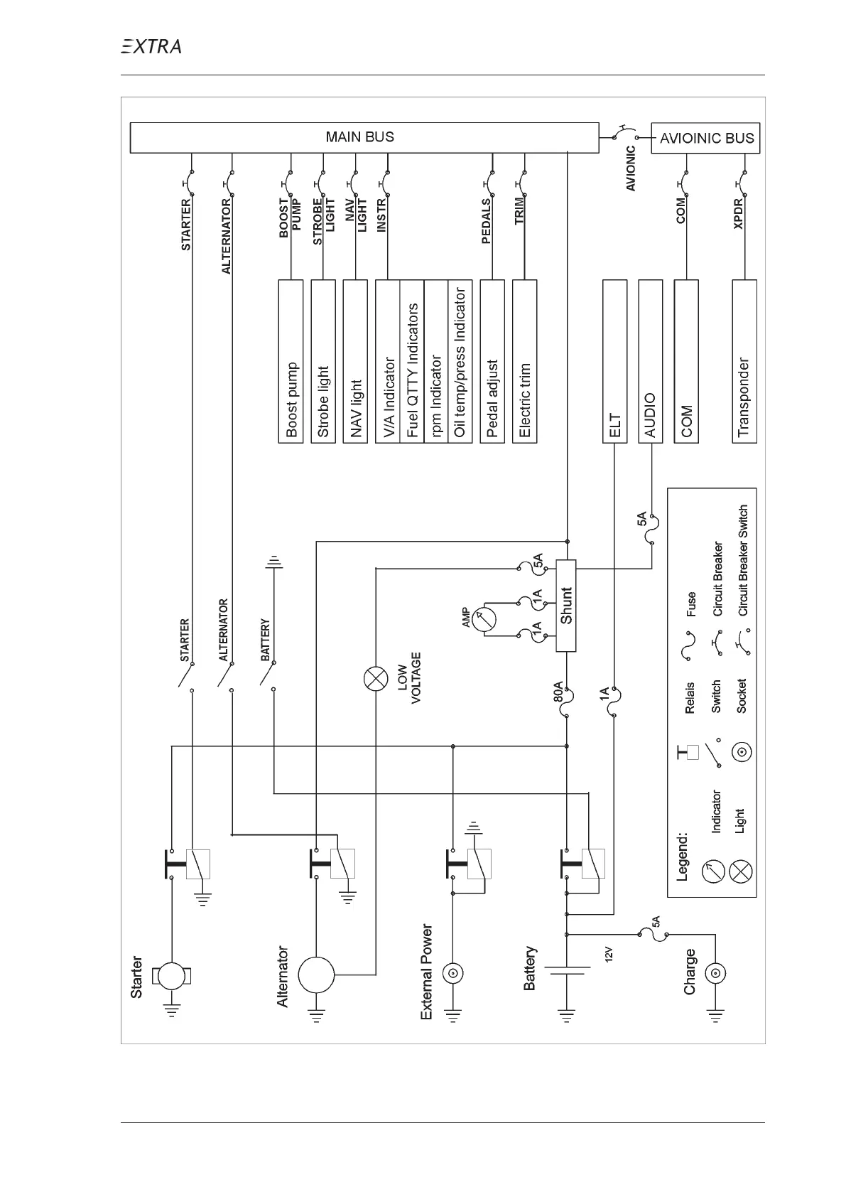
Figure 2 Electrical System Schematic

Table of Contents

Related product manuals