EasyManua.ls Logo

Extra 300LX - 73-20-20 Mixture

Extra 300LX
515 pages
Print Icon
To Next Page IconTo Next Page
To Next Page IconTo Next Page
To Previous Page IconTo Previous Page
To Previous Page IconTo Previous Page
Loading...
CHAPTER 73
PAGE 9
MAINTENANCE MANUAL EXTRA 330LX
PAGE DATE: 14. August 2015
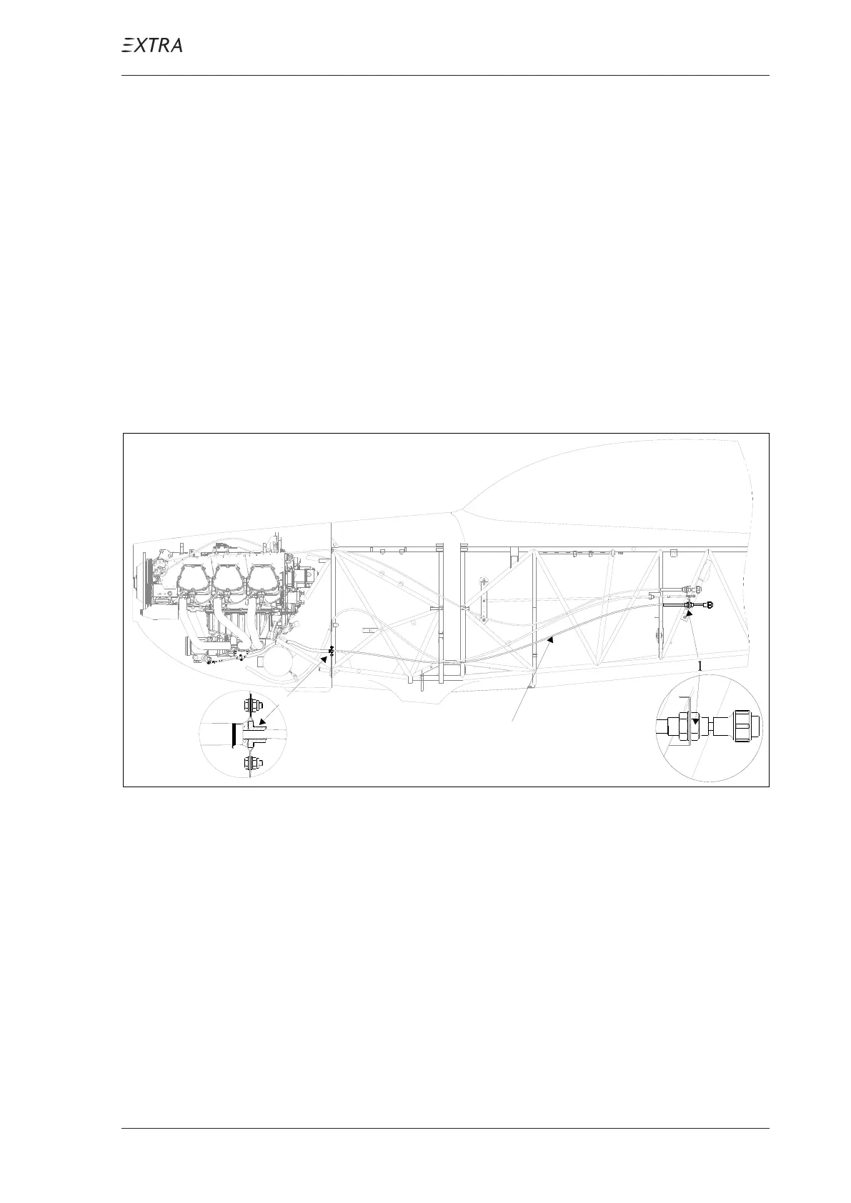
73-20-20 Mixture
Refer to Figure 5. The mixture of the fuel injector servo is
controlled by means of the vernier mixture control cable
located on the left side of the cockpit (red control knob).
This cable is routed on the left side of the fuselage, penetrates
the firewall and is then routed to the mixture control lever.
In the engine compartment this cable is covered with a fire
sleeve. The cable is attached to the fuselage using a clamp
block at its front end and self-clinching plastic tiedown
straps in the cabin area. The mixture vernier control unit is
mounted to a fuselage bracket. The fire wall penetration is
sealed with PRC-812 (Products Research & Chemical Corp.,
USA) firewall sealant and covered with a clamp sheet.
Mixture control cable
Side View
2
Figure 5 Mixture Control

Table of Contents

Related product manuals