EasyManua.ls Logo

Extra 300LX - Page 475

Extra 300LX
515 pages
Print Icon
To Next Page IconTo Next Page
To Next Page IconTo Next Page
To Previous Page IconTo Previous Page
To Previous Page IconTo Previous Page
Loading...
1
1
2
2
3
3
4
4
D D
C C
B B
A A
L
R
GRD
S
BAT
PR
MAGNETO SWITCH
OFF
R
L
BOTH
START
LR
BO
0204 03 BenennungNr01 Teilekennzeichen ZF Werkstoff Abmessungen Menge GewichtEinheit MaWi-Nr.
1
2
3
4
5
DIGITAL RPM INDICATOR
mtr
5
mtr
3
VERBINDER ROT
01422320559-0
KABEL AWG 20
STECKER
FE4002
MIL-W-27500-20TGT14
KABEL AWG 20 GESCHIRMT
MIL-W-22759/16-20 00775
MS-3106E14S-6S
P100230-643-00
X
1
1
Die Gültigkeitszuordnung
von Version zu
dem jeweiligen Fertigungsauftrag
zu entnehmen.
Zuordnung links / rechts wird mit
*/* in allen Feldern angegeben.
04
03
02
01
Ver. Bezeichnung
Nr.: Änderung/Mod. Nr.: Datum Name
Letzte Bearbeitung:
Datum Name
Bearb.:
Gepr.:
Maßstab
SI.-Klasse
Oberflächenschutz
Projektion
Freimaßtoleranz
Oberfläche
Schutzvermerk nach DIN 34 beachten.
EDV-Kennung:
auf
Blatt von
Schwarze Heide 21
46569 Hünxe, Germany
Gepr.:
Flugzeugbaureihe
ist der Bauakte bzw.
EA 300/LT
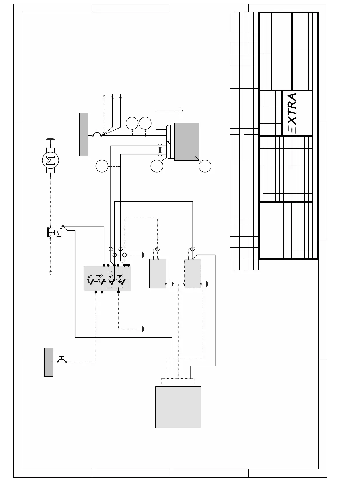
RPM INDICATION
EA-9D102.30
21.04.10 HW
1A4 1
EA3D0939
= == =
DIG-RPM
blk
left Magn
right Magn
ws
B CAE DF
INDICATOR
TIMER
#22
INSTR
5A
MAIN-BUS
1
3
4
2
5
1
X
see FUEL GAGES
EA-9D102.4
#20
#20
see OIL TEMP (PRESS)
EA-93102.34
BRUECKE !
#18
#18
#18
#18
MAGNETOS. R
MAGNETOS. L
BRUECKE !
#18
#20
#18
6350
6393
#20
1
2
3
Vin
SLICK START
SS 1001
GND
Retard
#22
#22
=
= = =
= = ==
see ELEKTRIK SYSTEM
EA-9D102.1
MAIN-BUS
STARTER
10A
#18
#18
#18
START RELAY
K2
#18
#18
M1
STARTER
#4#4
see ELEKTRIK SYSTEM
EA-9D102.1
see ACCELEROMETER (Option)
EA-9D102.15
#22
in 1
02489

Table of Contents

Related product manuals