EasyManua.ls Logo

Extra 300LX - Page 503

Extra 300LX
515 pages
Print Icon
To Next Page IconTo Next Page
To Next Page IconTo Next Page
To Previous Page IconTo Previous Page
To Previous Page IconTo Previous Page
Loading...
1
1
2
2
3
3
4
4
5
5
6
6
7
7
8
8
D D
C C
B B
A A
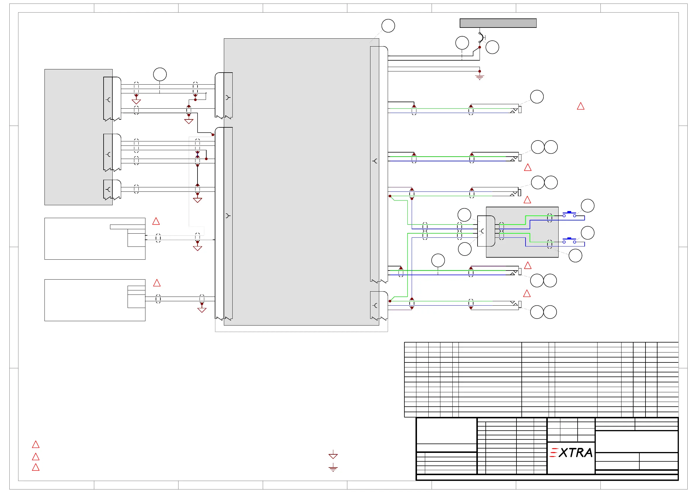
EA 300/LT
GARMIN GMA 35
EA-9D102.65
03.09.12 HW
Die Gültigkeitszuordnung
von Version zu
dem jeweiligen Fertigungsauftrag
zu entnehmen.
Zuordnung links / rechts wird mit
*/* in allen Feldern angegeben.
04
03
02
01
Ver. Bezeichnung
Nr.: Änderung/Mod. Nr.:Datum Name
Letzte Bearbeitung:
Datum Name
Bearb.:
Gepr.:
Mstab
SI.-Klasse
Oberflächenschutz
Projektion
Freimaßtoleranz
Oberfläche
Schutzvermerk nach DIN 34 beachten.
EDV-Kennung:
auf
Blatt von
Schwarze Heide 21
46569 Hünxe, Germany
Gepr.:
Flugzeugbaureihe
ist der Bauakte bzw.
1
A3
1
GARMIN COM/NAV/GPS
GTN-750
0204 03 BenennungNr01 TeilekennzeichenZF Werkstoff Abmessungen Menge GewichtEinheit MaWi-Nr.
1
3
4
1
5
6
AUDIO PANEL GMA-35 (Remote)
010-00831-01
7
8
9
10
11
12
13
EA3D0971
14
33902
7
26
RS 232 OUT 2
RS 232 IN 2
45RS 232 GND 2
P1001
78 Pin
RS232 OUT
18
RS232 IN
17
ALERT-2 AUDIO IN HI
15
43
P3502
COMM AUDIO HI
COMM AUDIO LO
7
18
11MIC KEY
5MIC AUDIO HI
20MIC AUDIO LO
P1003
44 Pin
COM 1 AUDIO IN HI
COM 1 AUDIO IN LO
COM 1 MIKE KEY OUT
COM 1 MIKE AUDIO OUT HI
9
10
12
11
P3501
AUDIO OUT LO
AUDIO OUT HI
23
4
ws
bl
ws
bl
ws
bl
ws
bl
ws
bl
ws
bl
ws
bl
ws
bl
AIRFRAME GROUND
SHIELD BLOCK GROUND
oror
oror
Alle Kabel AWG 24 wenn nicht anders angegeben.
GMA-35
16
17
VOR/LOC AUDIO OUT HI
VOR7LOC AUDIO OUT LO
P1004
62 Pin
17
18
NAV 1 AUDIO IN HI
ws
bl bl
ws
Fuer alle Buchsen Isolationsscheiben benutzen
16
3
32
33
PILOT HEADSET AUDIO OUT L
PILOT HEADSET AUDIO OUT R
COPILOT HEADSET AUDIO OUT R
COPILOT MIC AUDIO IN HI
COPILOT MIC KEY IN
#20
COPILOT MIC AUDIO IN LO
33
34
PILOT MIC AUDIO IN HI
PILOT MIC KEY IN
PILOT MIC AUDIO IN LO
4
31
34
bl
ws
ws
bl
ws
bl
ws
bl
ws
bl
1
35
PILOT HEADSET AUDIO OUT LO
COPILOT HEADSET AUDIO OUT L
COPILOT HEADSET AUDIO OUT LO 2
blk
ws
bl
PHONE COPILOT
PHONE PILOT
ws
bl
ws
bl
MIC COPILOT
ws
bl
MIC PILOT
ws
bl
PTT PILOT
PTT COPILOT
P4J4
1
2
3
4
ws
bl
ws
bl
ws
bl
ws
bl
ws
bl
ws
bl
9
8
7
7
EA-76291.1
6
43
5
5
3 4
6
12
AIRCRAFT POWER 9
AIRCRAFT POWER 8
AIRCRAFT GROUND 11
AIRCRAFT GROUND 10
NAV 1 AUDIO IN LO
P3501
2
AVIONIC-BUS
5A
AUDIO
#20
1
#20
A/C GND
#20
AUDIO PANEL
P3502
P3502
P3502
P3501
inkl. KIT
1
1
1
1
1
7277-2-5CIRCUIT BREAKER 5A
Fa. KLIXON
31506
STEREO PHONE JACK SWL-12B
33212
00196
03305
913X
PUSH BUTTON
11-04936
MIC JACK JJ-033
734136-41STEREO JACK
2
4
2
1
4
1
WASHER
31381
31382
04-00975
WASHER
04-00976
2
4
mtr
FE4256BUCHSENGEHÄUSE 43025-0400
FE407943030-0007BUCHSE
EA-76291.1PTT-KABELBAUM
1
X
X
X
WIRE AWG 20 00775
MIL-W-22759/16-20
FE4006
MIL-C-27500-24TG2
WIRE 2xAWG24
MIL-C-27500-24TG3
WIRE 3xAWG24
mtr
mtr
Fa. AIRCRAFT SPRUCE
FE4009
30362
1
optional XPDR requires GTX-33 to be installed
optional ACCELEROMETER requires TL-3424 to be installed
2
3
10
13
14
ws
ws
2
Fa. SWITCHCRAFT
! ONLY FOR STEREO HEADSET !
! ONLY FOR STEREO HEADSET !
TRANSPONDER
GTX-33
ALERT AUDIO OUT HI
ALERT AUDIO OUT LO
15
16
P3301
Option TRANSPONDER GTX 33 EA-9D102.64
24MUSIK 1 IN RIGHT
23
25
MUSIC JACK STEREO
ws
bl
ws
bl
MUSIK 1 IN LEFT
MUSIK 1 IN LO
734136-41
11
AMPLIFIER K4900
EA-9D102.15Option ACCELEROMETER
ALERT-1 AUDIO IN HI31
ws
ALERT-1 AUDIO IN LO32
bl
ws
bl
P3501
1
2
3
ACCELEROMETER
ALERT AUDIO OUT HI
ALERT AUDIO OUT LO
HI
LO
P1
ALERT-3 AUDIO IN HI29
ws
ALERT-2,3,4 AUDIO IN LO
bl
ws
bl
#20
#20
#20
#20

Table of Contents

Related product manuals