EasyManua.ls Logo

FEC AFC3000 - Page 53

FEC AFC3000
294 pages
Print Icon
To Next Page IconTo Next Page
To Next Page IconTo Next Page
To Previous Page IconTo Previous Page
To Previous Page IconTo Previous Page
Loading...
Chapter 3 System Description
PAGE 3-20
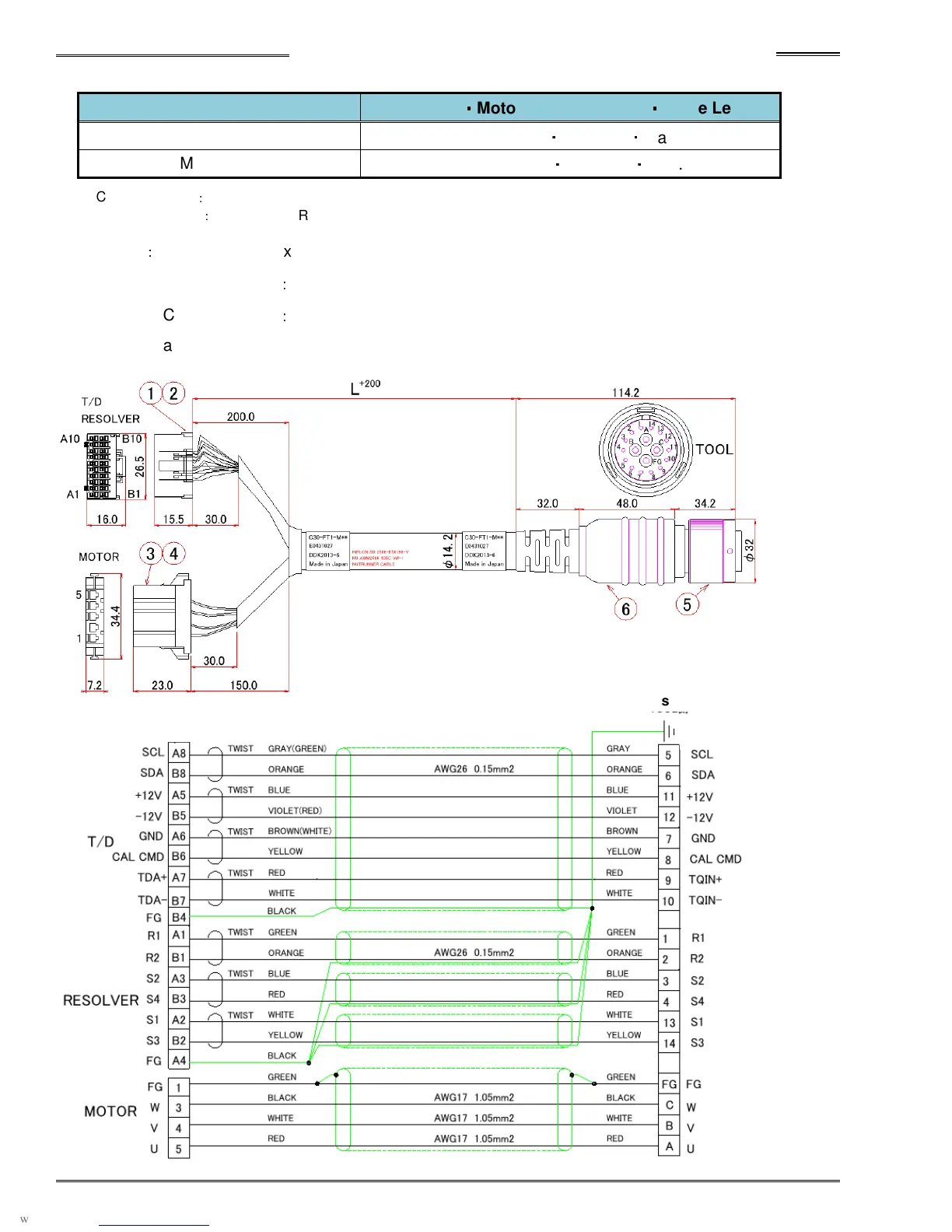
Tool Cable (Motor / Resolver / Preamplifier) Length
Unit Type Cable Type
Motor Wire Thickness
Cable Length
MFC-S024 / MFC-S060
Combined Type*
1.00mm
2
Max. 30m
MFC-S120
Separated Type**
1.25mm
2
Max. 30m
*Combined Type
Motor Cable, Resolver Cable and T/D preamplifier Cable are in the same cable. (See Below)
**Separated Type
Motor Cable, Resolver Cable and T/D preamplifier Cable are in separate cables.(See 3-23)
Part #
FEB-1630-Mx x = Length in meters (5,7.5,10,12.5, 15, 20, 25, 30 Std. lengths)
Minimum bending radius
150mm
Nominal Cable Diameter
16.0mm
Cable Drawing (Dimension units: mm)
UNIT side
Tool side
Motor
Connected to the
connector body

Table of Contents

Other manuals for FEC AFC3000