EasyManua.ls Logo

IBM 4247 - Assembly 5: Mechanical Assembly II

IBM 4247
567 pages
Print Icon
To Next Page IconTo Next Page
To Next Page IconTo Next Page
To Previous Page IconTo Previous Page
To Previous Page IconTo Previous Page
Loading...
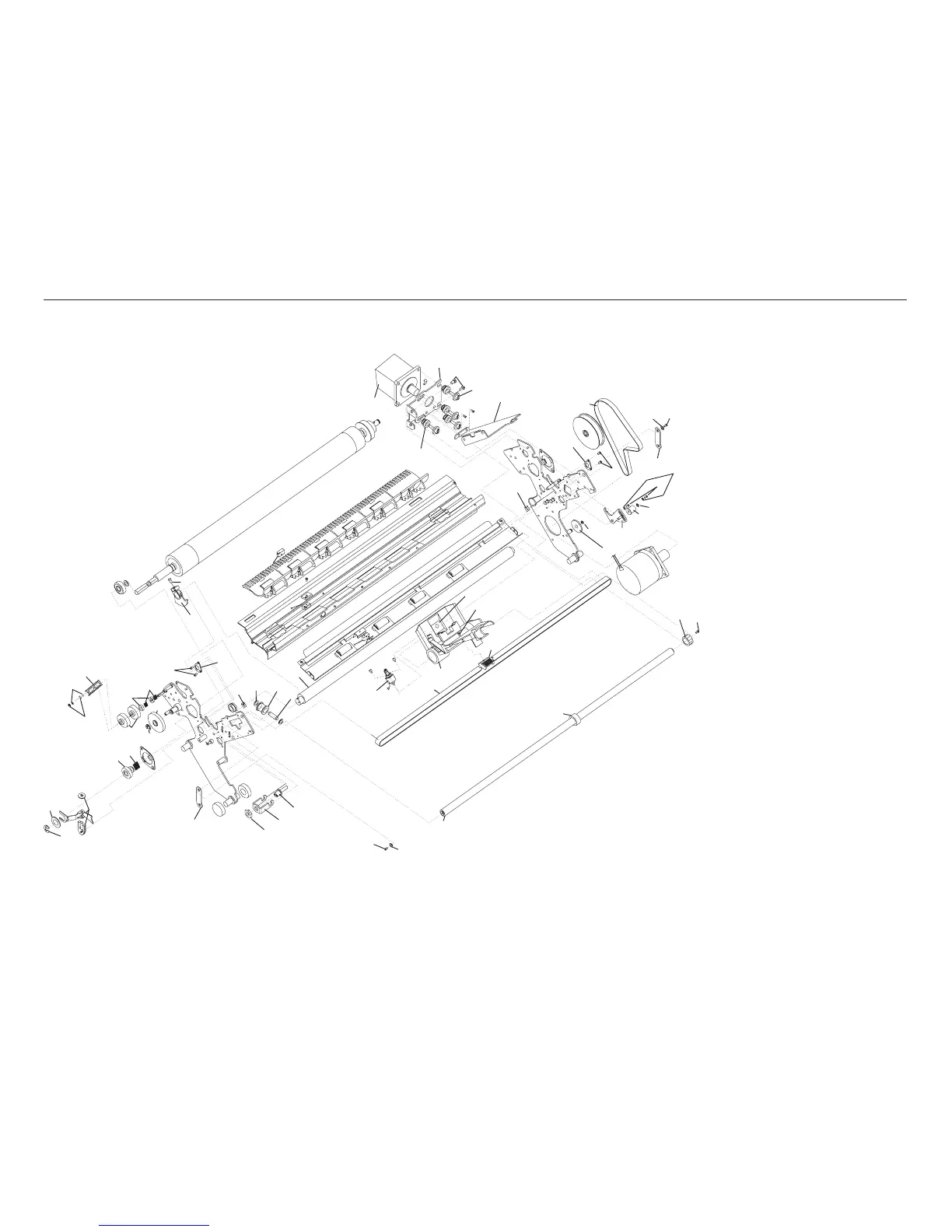
Assembly 5: Mechanical Assembly II
32
29
33
31
50
30
22
51
51
34
38
19
20
18B
18A
46
19
13
12
11
10
9
8
4
17
16
14
15
23
35
36
22
28
26
21
27
38
41
42
43
37
45
44
39
40
5
6
7
3
2
46
24
20
19
18
25
49
48
e90apc4
Chapter 6. Parts Catalog 470

Table of Contents

Related product manuals