EasyManua.ls Logo

IBM 5100 - Page 228

IBM 5100
389 pages
Print Icon
To Next Page IconTo Next Page
To Next Page IconTo Next Page
To Previous Page IconTo Previous Page
To Previous Page IconTo Previous Page
Loading...
o
lJ
4-30
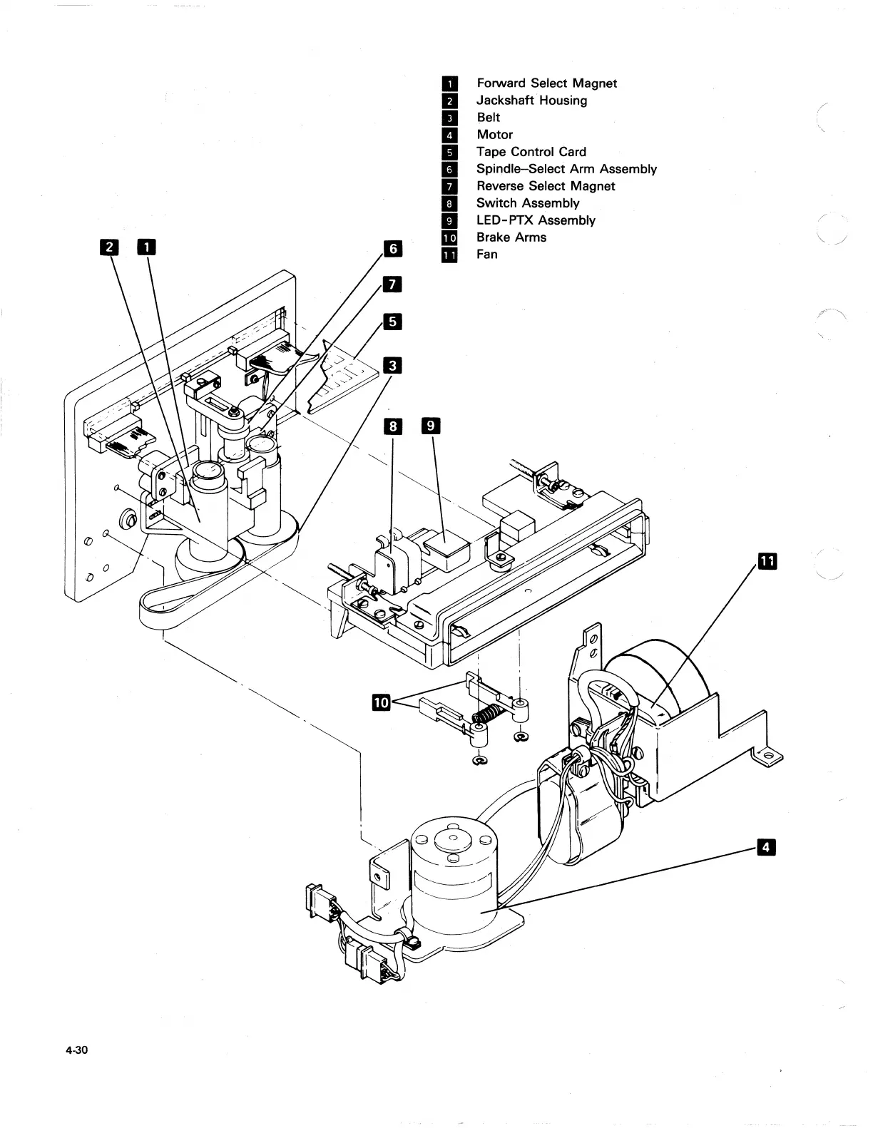
Forward Select Magnet
II
Jackshaft Housing
!3elt
II
Motor
Tape Control Card
Spindle-Select Arm Assembly
II
Reverse Select Magnet
II
Switch Assembly
LED-PTX Assembly
II
Brake Arms
III
Fan

Table of Contents

Other manuals for IBM 5100

Related product manuals