EasyManua.ls Logo

IBM 5100 - Page 29

IBM 5100
389 pages
Print Icon
To Next Page IconTo Next Page
To Next Page IconTo Next Page
To Previous Page IconTo Previous Page
To Previous Page IconTo Previous Page
Loading...
,[
I:.
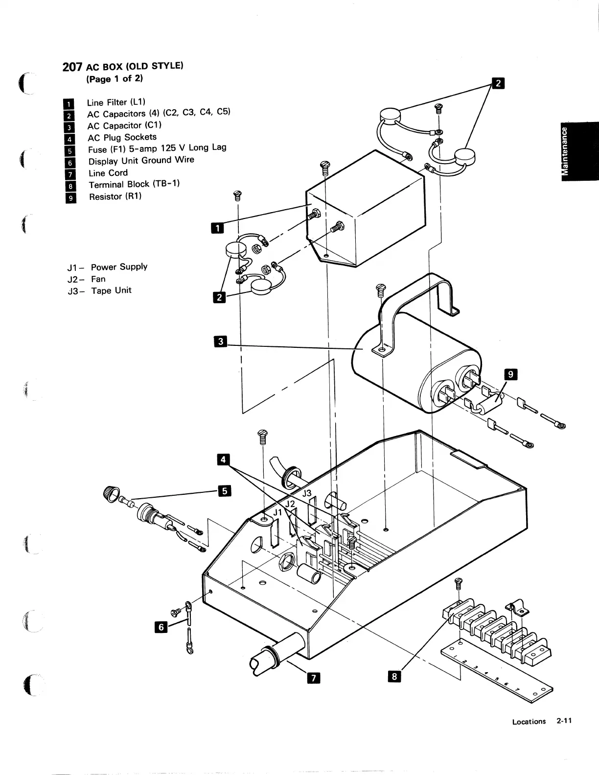
207
AC BOX (OLD STYLE)
(Page 1
of
2)
..
Line Filter (L
1)
AC Capacitors
(4)
(C2,
C3, C4,
C5)
II
AC Capacitor (C1)
..
AC Plug Sockets
II
Fuse
(F1)
5-amp
125 V Long
Lag
II
Display Unit Ground Wire
II
Line Cord
II
Terminal Block (TB-1)
lEI
Resistor
(R1)
I
J1-
Power Supply
J2-
Fan
J3-
Tape Unit
I
.~
<f
./
Locations
2·11

Table of Contents

Other manuals for IBM 5100

Related product manuals