EasyManua.ls Logo

IBM 5100 - Page 303

IBM 5100
389 pages
Print Icon
To Next Page IconTo Next Page
To Next Page IconTo Next Page
To Previous Page IconTo Previous Page
To Previous Page IconTo Previous Page
Loading...
(
(
(
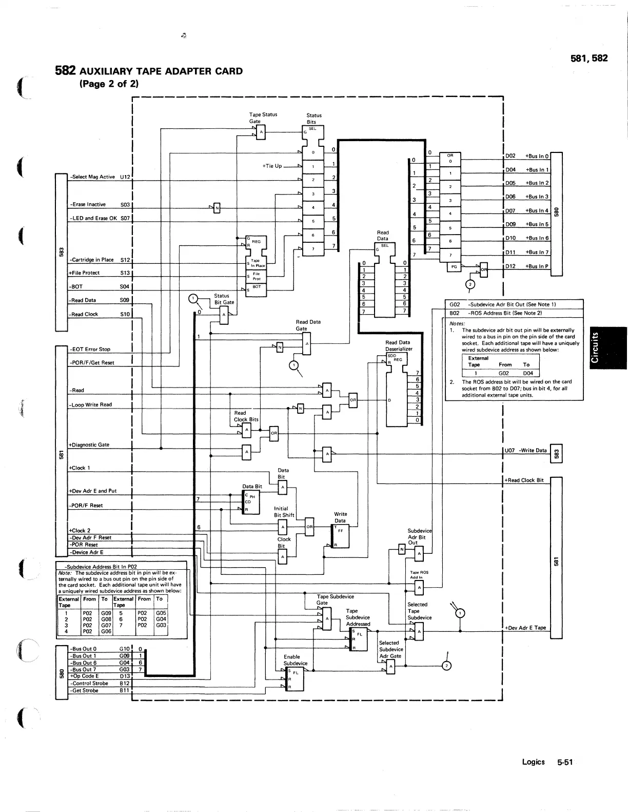
582 AUXILIARY TAPE ADAPTER CARD
(Page 2
of
2)
r-------------
------------------,
I
I
TGaatePe
Status Status
II
Bits
I
-.t{j"
G SEL
I
I 0
r--2-
I +Tie
Up
------"
--;--
r-l
!002
+Bus InO
r--
r--
-select
Mag
Active
U121 - 2
2
t----"
..,
18
I
----'>
--;-
r-2
-Erase Inactive 503 i - 4
~~~~~--~~----_+_+--------~N~--~------+_--~~
4
~
-
-LED and Erase
OK
507 i
~~~~==~~~------+_~--------------~------~----~
5
r-2
1
I
512
1
-Cartridge in Place
+File
Protect
513:
.------+~~
~~~~~==~~~------~+_+_------------_t_1s~~.~~
~~~~~--~~~------r_+_+_------------_+_;~I___
r Prol
-
---"
6
~
-
r'" 7
r-2-
--
-BOT
504\
r-;;;:-
~~--------~~~------r_+_+_------------_+~s
r------
-Read Data 509
-Read
Cloci<
5101
~te
'--
~
!004
+Bus
In
1
!OOS
+8U5
In
2
006
+Bus
In
3
!007
+Bus
In
4
Ii!
!009
"'
+Bus
In
5
2_
-:0-
2
3 L
--;-1--
______ --+='---'-"==_1
4
..L
--:-1----------+='---'-"==-1
1
010
+Bus
In
6
011
+Bus
In
7
0
012
+Bus
In
P
-
2
I
G02
-Subdevice
Adr
Bit
Out
(See
Note
1)
B02
-ROS Address Bit
(5
..
Note
2)
r Notes:
581,582
'--
I
I
r-
-EOT
Error Stop
I
Read
Data
Gate
Read
Data
~
Deserializer
SOD
1.
The
subdevice
adr
bit
out
pin will
be
externally
wired
to
a bus in pin
on
the
pin side
of
the
card
socket. Each additional
tape
will have a
uniquely
wired subdevice address as shown below:
-POR/F/Get Reset
I
_ A REG
I
-Read
I
L-+-------I---t-----------t-----------~~A
-Loop
Write Read
."
N
ORr--r_t--t
D
Read
--?,
~
---E.
-4
~
-?-
2.
External
Tape
L 1
From
G02
To
J
004
The
AOS address
bit
will
be
wired on
the
card
socket
trom
802
to
007;
bus
in
bit
4,
for
all
additional external
tape
units.
I
I
L-
__
-r
______
-I
__
-+
_____
~-C~IO~C:Bits
--b
--..2.
-
OR~+_-----+------------~_+
+Diagnostic Gate
:;;
1
"'
-+Clock
1
+Oev
Adr
E
and
Put
!
-POR/F Reset
i
I
-+Clock
2
I
-Dev
Adr
F Reset
I
-POR Reset
-Oevice
Adr
E
~Subdevice
Address Bit In
P02
Note:
The
subdevice address
bit
in pin
will
be
ex·
ternally wired
to
a bus
out
pin
on
the
pin side
of
the
card socket. Each additional tape
unit
will have
a
uniquely
wired subdevice address as shown below:
External
From
To
Extemal
From
To
!
Tape Tape
1
P02
GOO
5
2
P02
GOB
6
3 P02 G07 7
4 P02 G06
P02
P02
P02
G05
G04
GOO
7
6
II'
A
~--;
--w
'----+-i
Data
Bit
Data
Bit
A
t;j
CD
..I
R
Initial
Bit
Shift
Write
Data
A
OR
fj
Cloci<
Bit
A
Subdevice
AdrBit
~
I U07 -Write
Data
C"J
!l!
i
I+Read Clock Bit
r-
I
1
I
I
I
I
TapeAOS
I
~------------t_1----------------------------4--_1-A-·~rd~l"
R.:J-
I
l;[hf
t
~!""
~
I
'-I---_t------------_t_1----------~
A Subdevice Subdevice I
r-1-_t--------~"'t
Adt
essed
-.rJ
A I +Oev Adr E Tape
...
FL ,
~I·I
I
+--------+-------"tJ~
Selected
~
r--
=:~:
~~: ~
~~
I
~
i Enable A
.!!-.
~~~;.:~e
I
!
~~~~!!!~!.:
g=~~ui'-:e~:-E----.....,,~:=r~;t-"~-I
: J j:1
.:.'
II
-Control 51robe B 12
-Get5trobe
Bll
....
________________
~
________________
J
Logics
5-51

Table of Contents

Other manuals for IBM 5100

Related product manuals