EasyManua.ls Logo

Maeda MC-305C-2 - Inverter Unit

Maeda MC-305C-2
358 pages
Print Icon
To Next Page IconTo Next Page
To Next Page IconTo Next Page
To Previous Page IconTo Previous Page
To Previous Page IconTo Previous Page
Loading...
7-11
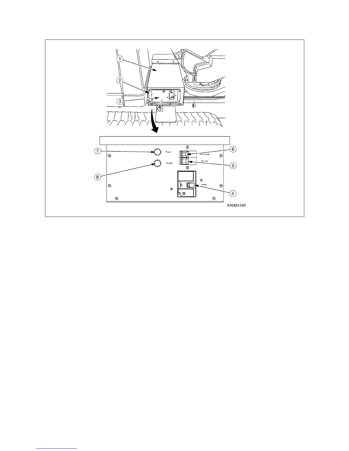
3.6 INVERTER UNIT
(1) Inverter unit cover
(2) Protective cover
(3) Inverter unit
(4) Main breaker (with a leak detector)
(5) DC12V power switch
(6) AC circuit power switch
(7) Power lamp (white)
(8) Trouble lamp (red)

Table of Contents

Other manuals for Maeda MC-305C-2

Related product manuals