EasyManua.ls Logo

Maeda MC-305C-2 - Searcher Hook Component Identification

Maeda MC-305C-2
358 pages
Print Icon
To Next Page IconTo Next Page
To Next Page IconTo Next Page
To Previous Page IconTo Previous Page
To Previous Page IconTo Previous Page
Loading...
8-2
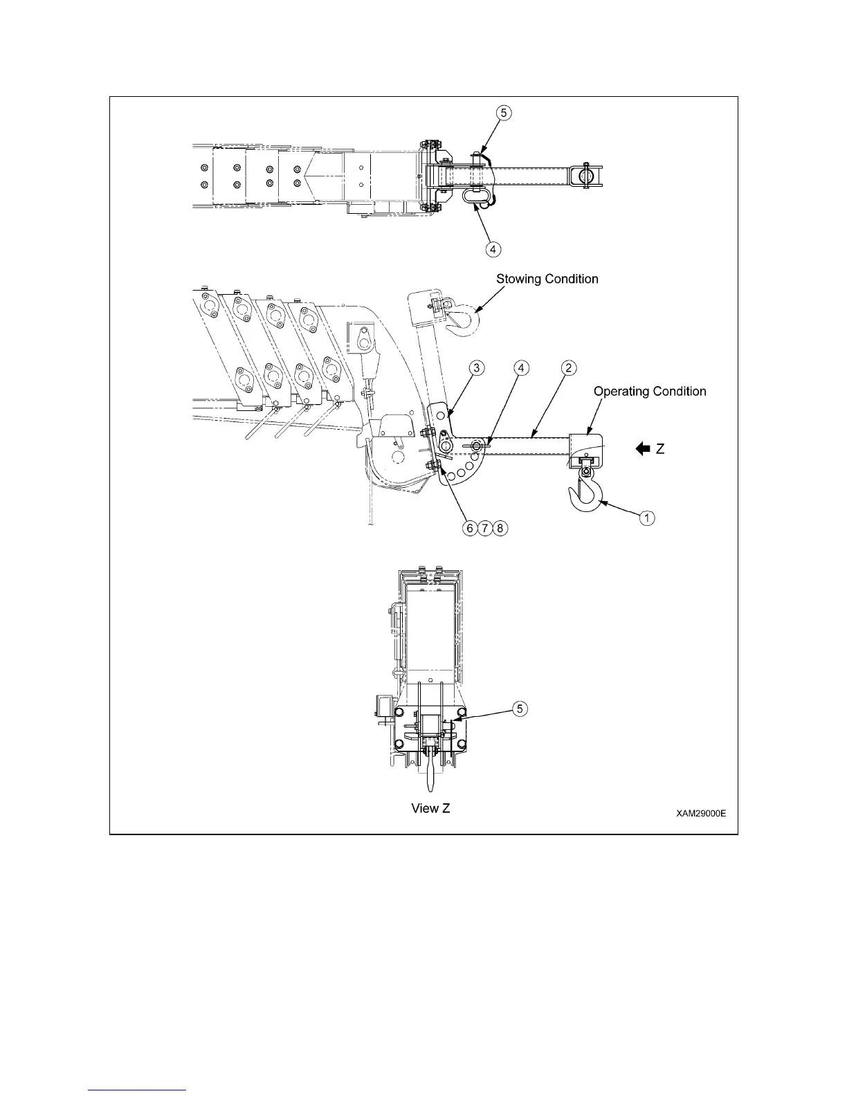
1. SEARCHER HOOK EACH SECTION
(1) Hook
(2) E-Boom
(3) Bracket
(4) Position pin
(5) Snap pin
(6) Hex. head bolt
(7) Hex. head nut
(8) High tension washer

Table of Contents

Other manuals for Maeda MC-305C-2

Related product manuals