EasyManua.ls Logo

Mazda 121 - Auxiliary Parts Torque Specifications; Engine Hanger

Mazda 121
390 pages
Print Icon
To Next Page IconTo Next Page
To Next Page IconTo Next Page
To Previous Page IconTo Previous Page
To Previous Page IconTo Previous Page
Loading...
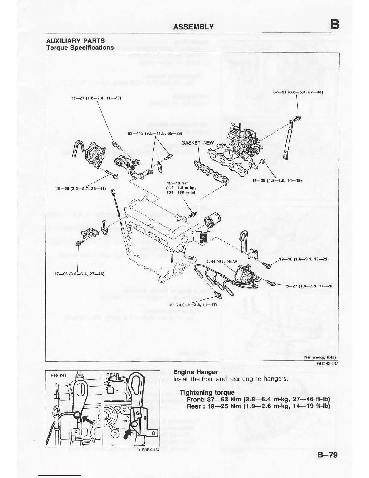
ASSEMBLY
AUXILIARY
PABTS
Torque Specilicalions
15-27
(r,5-2i, r1-20)
@w
r
I
e3-1 13
{e.5-tt.s,
3s-€3)
GASKET, NEW
19-25
0,9-2.5,
r.-11)
1e-30
(1,e-3,r,
13r2)
Engine
Hangel
Instail the
front
and
rear engine
hangers.
Tlghtenlng torque
Front 37-63
N.m
(3.8-5.4
m-kg, 27-46
ft-lb)
Real: 19-25
N{n
(1.9-2.6
m-kg, 14-19 ft-lb)
B-79

Table of Contents

Related product manuals