EasyManua.ls Logo

Mazda 121 - Page 128

Mazda 121
390 pages
Print Icon
To Next Page IconTo Next Page
To Next Page IconTo Next Page
To Previous Page IconTo Previous Page
To Previous Page IconTo Previous Page
Loading...
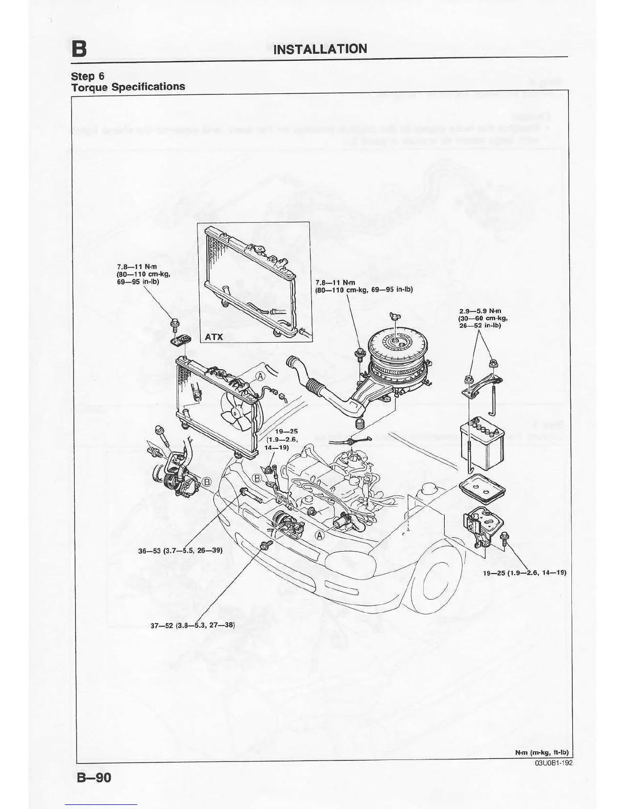
INSTALLATION
Siep
6
Torque
Specificationa
(30-110
.n-ts,
6e-ss
lFlb)
B-90

Table of Contents

Related product manuals