EasyManua.ls Logo

Nidec H300 - Page 207

Nidec H300
322 pages
Print Icon
To Next Page IconTo Next Page
To Next Page IconTo Next Page
To Previous Page IconTo Previous Page
To Previous Page IconTo Previous Page
Loading...
Safety
information
Product
information
Mechanical
installation
Electrical
installation
Getting
started
Basic
parameters
Running
the motor
Optimization
NV Media Card
Operation
Building
Automation
Advanced
parameters
Technical
data
Diagnostics
UL listing
information
HVAC Drive H300 207
Issue Number: 3
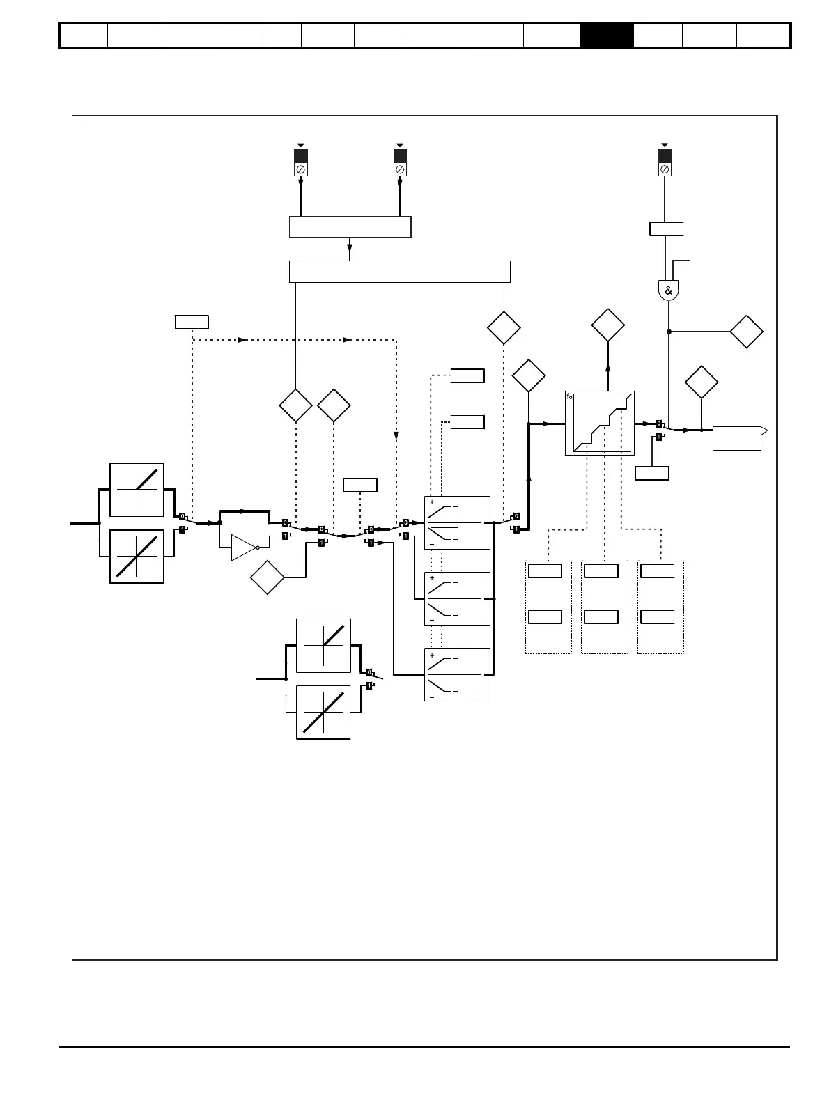
Bipolar
Reference
Enable
01.010
Pre-Filter
Reference
Maximum
Freq./Speed
"Clamp"
Minimum
Freq./Speed
"Clamp"
(Maximum
Reverse
Freq./Speed)
Negative
Minimum
Speed
Select
Reference
Enabled
Indicator
Reverse
Selected
Indicator
Skip Freq./
Speed1
Fire mode
activate
Reference In Skip
Freq./Speedband
Indicator
Velocity
Feed-Forward
Reference
Feed-Forward
Selected
Indicator
01.012
x(-1)
01.039
01.040
01.008
[01.006]
[01.007]
[01.007]
[01.006]
[01.006]
[01.006]
[01.006]
[01.007]
01.006
041.05
01.053
01.007
01.011
Sequencer (Menu 6)
01.002
Skip Freq./
Speed2
Skip Freq./
Speed3
Skip Freq./
Speedband
1
Skip Freq./
Speedband
2
Skip Freq./
Speedband
3
01.029
01.030
01.031
01.032
01.033
01.034
01.035
1 .0067
Pre-Ramp
Reference
01.003
Menu 2
Menu 8
Spare
Fire mode
reference
RUN FORWARD
27
24
25
Fire mode
Active
Fire mode
activate
Fire Mode Reference
( ) is non-zero01.053

Table of Contents

Related product manuals