EasyManua.ls Logo

Nidec H300 - Menu 6: Sequencer and Clock; Menu 6 Logic Diagram

Nidec H300
322 pages
Print Icon
To Next Page IconTo Next Page
To Next Page IconTo Next Page
To Previous Page IconTo Previous Page
To Previous Page IconTo Previous Page
Loading...
Safety
information
Product
information
Mechanical
installation
Electrical
installation
Getting
started
Basic
parameters
Running
the motor
Optimization
NV Media Card
Operation
Building
Automation
Advanced
parameters
Technical
data
Diagnostics
UL listing
information
226 HVAC Drive H300
Issue Number: 3
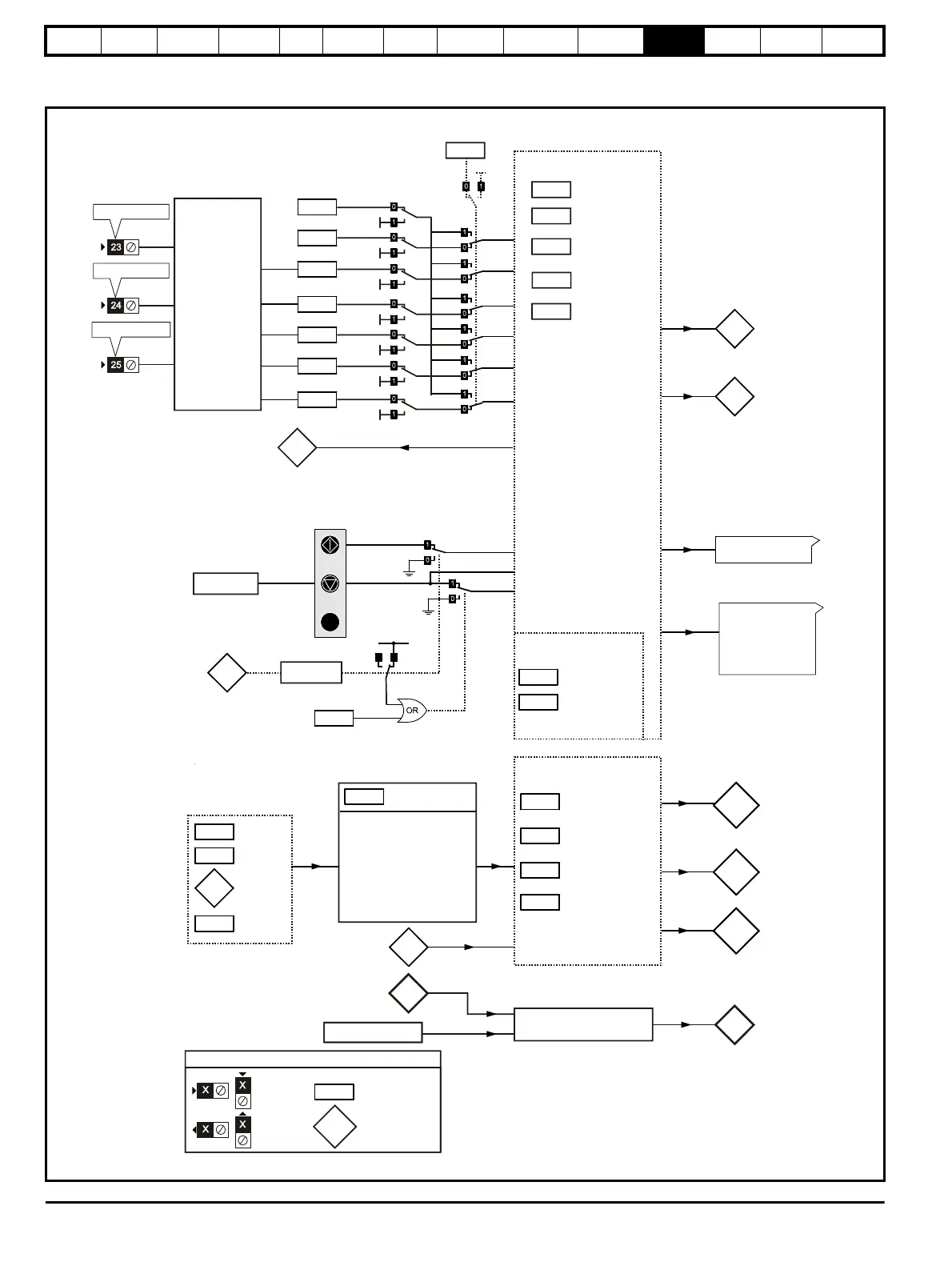
11.7 Menu 6: Sequencer and clock
Figure 11-10 Menu 6 logic diagram
06.012
Keypad STOP
01.011
Reference On
01.012
Reverse
Select
HAND
OFF/
RESET
Auto
RESET
01.049
Reference
Selected
Indicator
Logic 1
Open loop only
06.006
Injection
Braking Level
06.007
Injection
Braking Time
06.024
Reset Energy Meter
06.021
Time Between Filter
Changes
06.022
Filter
Change
Required/Done
06.027
Energy Cost
Per kWh
Clock control
Time Before Filter
Change Due
Running
Cost
06.028
Energy Meter
Inverter enable
RFC only
Menu 2
Menu 3
Ramp
Hard speed
reference
enable
enable
05.003
Power
Pr = 4
01.049
01
Sequencer
06.001
06.003
06.008
06.040
06.009
Stop Mode
Catch A
Spinning Motor
Supply Loss Mode
Hold Zero Speed/
Motor Pre-Heat
Enable
Enable Sequencer
Latching
05.005
DC Bus Voltage
Low voltage supply
Drive power supply monitor
06.044
Active Supply
06.018
06.017
Time
Day Of
Week
06.016
Date
06.019
Date/Time
Selector
0
1
2
3
4
5
6
7
8
9
Set
Powered
Running
Accumulated powered
Local keypad
Remote keypad
Slot 1
Slot 2
Slot 3
Slot 4
06.025
06.026
Pr = 1
01.052
06.015
06.030
06.032
06.033
06.042
06.034
Run
Forward / Reverse
Run
Run Forward
Drive Enable
Control Word
06.029
Hardware
Enable
Menu 8
T23 digital I/O 2
T24 digital I/O 3
T25 digital input 4
06.039
Not Stop
0
1
1
0
0
0
0
06.043
Control word
Enable
0
06.023
06.020
Date Format
Output
mm.ppp
mm.ppp
Key
Read-write
(RW)
parameter
Read-only (RO)
parameter
Input
terminals
Output
terminals
The parameters are all shown in their default settings

Table of Contents

Related product manuals