EasyManua.ls Logo

Nidec H300 - Menu 4 RFC-A Logic Diagram

Nidec H300
322 pages
Print Icon
To Next Page IconTo Next Page
To Next Page IconTo Next Page
To Previous Page IconTo Previous Page
To Previous Page IconTo Previous Page
Loading...
Safety
information
Product
information
Mechanical
installation
Electrical
installation
Getting
started
Basic
parameters
Running
the motor
Optimization
NV Media Card
Operation
Building
Automation
Advanced
parameters
Technical
data
Diagnostics
UL listing
information
218 HVAC Drive H300
Issue Number: 3
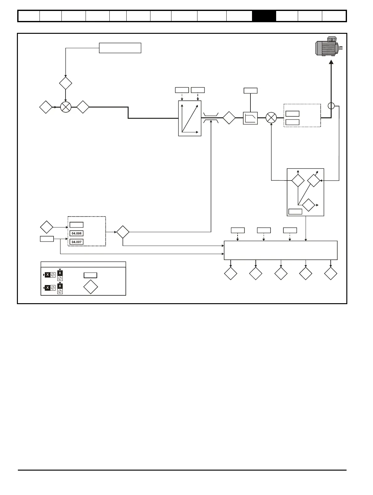
Figure 11-6 Menu 4 RFC-A logic diagram
04.004
Final
Current
Reference
Filter
+
_
03.004
+
03.001
03.002
10.009
10.008
04.015
04.016
04.013
04.014
Current Loop
P Gain
Current Loop
I Gain
Current Controller
04.018
11.032
05.007
04.005
Motoring
Regenerating
Current limits
Symmetrical
Maximum
Heavy Duty
Rating
Rated
Current
Speed
Feedback
Final
Speed
Reference
_
Final
Current Limit
Speed Controller
Output
Motor Thermal
Time Constant
Motor Protection
Mode
At 100%
Load Indicator
Current Limit
Active
Indicator
05.007 05.010
Rated
Power
Factor
Rated
Current
Torque Producing
Current
(Amp)
Current
Magnitude
Magnetising
Current
04.002
04.017
04.001
10.017
04.019
Motor
Overload
Accumulator
Motor Current
Overload Alarm
Indicator
10.039
Braking Energy
Overload
Indicator
Current
Reference
Filter 1 Time
Constant
04.012
04.024
04.025
Low Speed
Protection Mode
Overload detection
User Current
Maximum Scaling
mm.ppp
mm.ppp
Key
Read-write (RW)
parameter
Read-only (RO)
parameter
Input
terminals
Output
terminals
The parameters are all shown in their default settings
Speed Estimation Algorithm

Table of Contents

Related product manuals