EasyManua.ls Logo

Nidec H300 - Menu 8: Digital I;O; Menu 8 Logic Diagram

Nidec H300
322 pages
Print Icon
To Next Page IconTo Next Page
To Next Page IconTo Next Page
To Previous Page IconTo Previous Page
To Previous Page IconTo Previous Page
Loading...
Safety
information
Product
information
Mechanical
installation
Electrical
installation
Getting
started
Basic
parameters
Running
the motor
Optimization
NV Media Card
Operation
Building
Automation
Advanced
parameters
Technical
data
Diagnostics
UL listing
information
232 HVAC Drive H300
Issue Number: 3
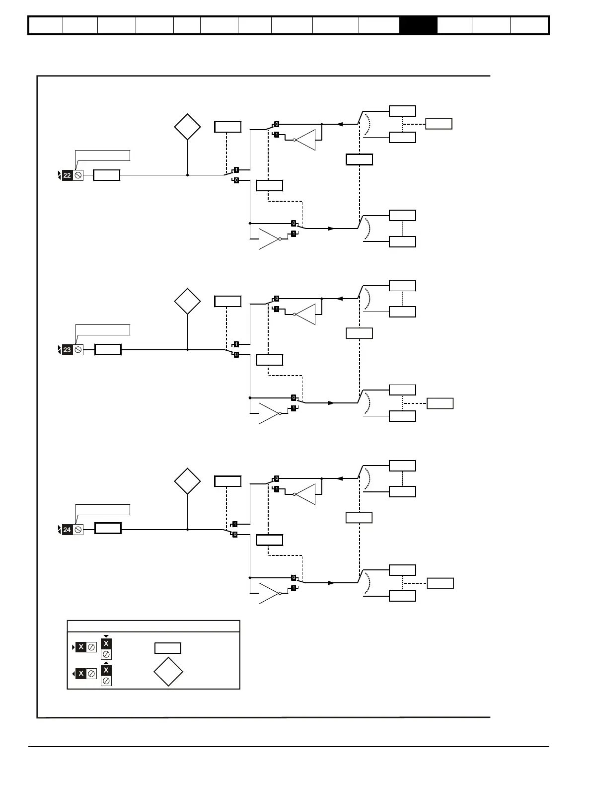
11.9 Menu 8: Digital I/O
Figure 11-12 Menu 8 logic diagram
T23 Digital I/O 2
08.032
??.???
Any
unprotected
bit
parameter
??.???
??.???
??.???
Any bit
parameter
08.022
x(-1)
x(-1)
08.012
08.002
T24 Digital I/O 3
08.033
??.???
Any
unprotected
bit
parameter
??.???
??.???
Any bit
parameter
??.???
08.023
x(-1)
x(-1)
08.013
08.003
08.029
08.029
10.033
Drive Reset
06.030
Run Forward
T22 Digital I/O 1
T22 Digital
I/O 1 State
08.031
T22 Output
Select
??.???
??.???
Any
unprotected
bit parameter
??.???
??.???
Any bit
parameter
08.021
T22 Digital
I/O 1 Source/
Destination
x(-1)
x(-1)
08.011
T22 Digital
I/O 1 Invert
08.001
08.029
I/O Input
Logic Polarity
10.002
Drive
Active
T23 Digital
I/O 2 State
T23 Output
Select
T23 digital
I/O 2 Source/
Destination
T23 Digital
I/O 2 Invert
T24 Digital
I/O 3 State
T24 Output
Select
T24 Digital
I/O 3 Source/
Destination
T24 Digital
I/O 3 Invert
I/O Input
Logic Polarity
I/O Input
Logic Polarity
mm.ppp
mm.ppp
Key
Read-write
(RW)
parameter
Read-only (RO)
parameter
Input
terminals
Output
terminals
The parameters are all shown in their default settings

Table of Contents

Related product manuals