EasyManua.ls Logo

Nidec H300 - Menu 4: Torque and Current Control; Menu 4 Open Loop Logic Diagram

Nidec H300
322 pages
Print Icon
To Next Page IconTo Next Page
To Next Page IconTo Next Page
To Previous Page IconTo Previous Page
To Previous Page IconTo Previous Page
Loading...
Safety
information
Product
information
Mechanical
installation
Electrical
installation
Getting
started
Basic
parameters
Running
the motor
Optimization
NV Media Card
Operation
Building
Automation
Advanced
parameters
Technical
data
Diagnostics
UL listing
information
HVAC Drive H300 217
Issue Number: 3
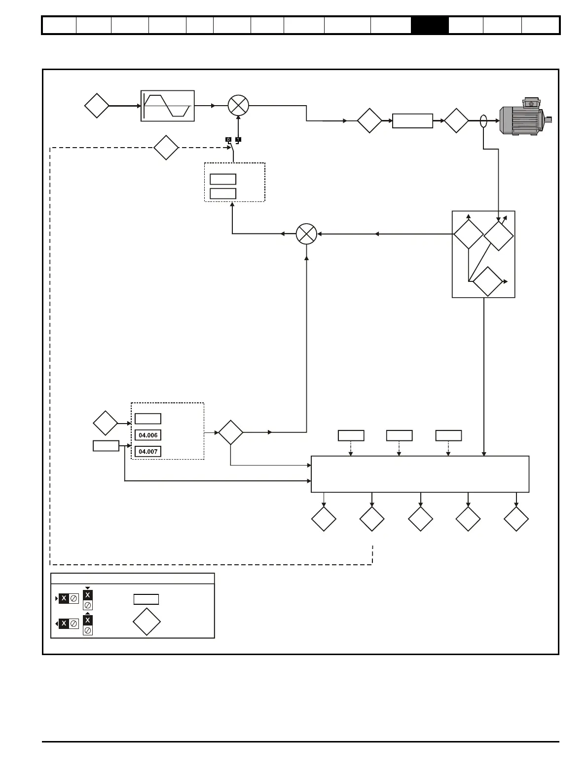
11.5 Menu 4: Torque and current control
Figure 11-5 Menu 4 Open loop logic diagram
10.009
10.008
04.015
04.016
04.018
11.032
05.007
04.005
Motoring
Regenerating
Current limits
Symmetrical
Maximum
Heavy Duty
Rating
Rated
Current
Final
Current Limit
Motor Thermal
Time Constant 1
Thermal
Protection
Mode
Rate
Load Reached
Current Limit
Active
Current
Magnitude
Magnetising
Current
04.002
04.020
- Active
Current
(Amp)
- Percentage
Load
04.002
04.020
10.017
04.019
Motor
Protection
Accumulator
Motor Overload
Alarm
10.039
Braking Resistor
Thermal
Accumulator
05.001
Motor map
2.01
Post Ramp
Reference
Output
Frequency
02.001
04.013
04.014
P Gain
I Gain
Current loop
10.009
Current
Limit
Active
2.01
Pre Ramp
Reference
01.003
Menu 2 ramp
controller
+
_
04.025
Low Speed Thermal
Protection Mode
Overload detection
+
+
04.001
04.017
Torque
Producing
Current
mm.ppp
mm.ppp
Key
Read-write
(RW)
parameter
Read-only (RO)
parameter
Input
terminals
Output
terminals
The parameters are all shown in their default settings

Table of Contents

Related product manuals