EasyManua.ls Logo

Nidec H300 - Page 215

Nidec H300
322 pages
Print Icon
To Next Page IconTo Next Page
To Next Page IconTo Next Page
To Previous Page IconTo Previous Page
To Previous Page IconTo Previous Page
Loading...
Safety
information
Product
information
Mechanical
installation
Electrical
installation
Getting
started
Basic
parameters
Running
the motor
Optimization
NV Media Card
Operation
Building
Automation
Advanced
parameters
Technical
data
Diagnostics
UL listing
information
HVAC Drive H300 215
Issue Number: 3
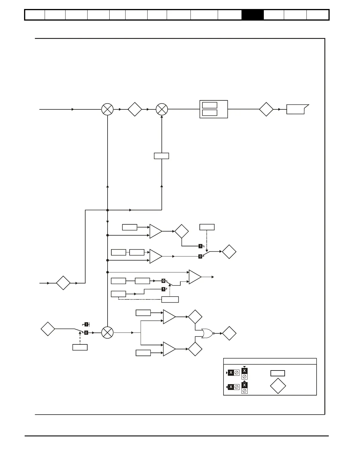
+
_
03.003
Speed
Error
+
_
03.004
Speed
Controller
Output
Menu 4
+
_
Over Speed Trip
01.006
Max Reference Clamp
+
_
03.006
10.005
Below Set Speed
At Speed
Lower Limit
+
_
03.007
10.007
At Speed
Upper Limit
10.006
At Speed
NOR
+
_
03.005
10.003
Zero Speed
Zero Speed
Threshold
+
_
01.007
10.004
Running At Or
Below Minimum
Speed
Min Reference Clamp
01.010
Bipolar Reference
Enable
+5min
-1
+20%
01.003
Pre Ramp
Reference
03.009
Absolute At Speed
Select
Speed Controller
Differential
Feedback Gains
03.008
Overspeed Threshold
03.008
>0
Speed Feedback
03.002
+
_
(Kd1)
03.012
Above Set Speed
mm.ppp
mm.ppp
Key
Read-write
(RW)
parameter
Read-only (RO)
parameter
Input
terminals
Output
terminals
The parameters are all shown in their default settings
Speed Loop Gains
03.010
03.011
(Ki1)
(Kp1)

Table of Contents

Related product manuals