EasyManua.ls Logo

Nidec H300 - Page 234

Nidec H300
322 pages
Print Icon
To Next Page IconTo Next Page
To Next Page IconTo Next Page
To Previous Page IconTo Previous Page
To Previous Page IconTo Previous Page
Loading...
Safety
information
Product
information
Mechanical
installation
Electrical
installation
Getting
started
Basic
parameters
Running
the motor
Optimization
NV Media Card
Operation
Building
Automation
Advanced
parameters
Technical
data
Diagnostics
UL listing
information
234 HVAC Drive H300
Issue Number: 3
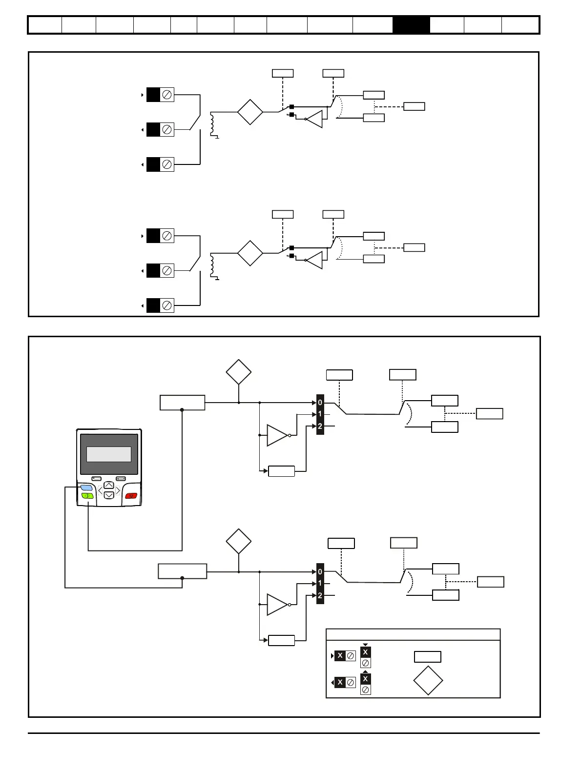
Figure 11-13 Menu 8 logic (cont)
Figure 11-14 Menu 8 logic (cont)
41
42
44
0V
08.007
1
0
x(-1)
08.017
Relay Source
Invert
Relay
State
08.027
Relay
Source
?
?
.
?
?
?
?
?
.
?
?
?
1
0
.
0
0
1
D
r
i
v
e
O
K
A
n
y
b
i
t
p
a
r
a
m
e
t
e
r
71
72
74
0V
08.045
1
0
x(-1)
08.055
Relay 2 Source
Invert
Relay 2
State
08.065
Relay 2
Source
?
?
.
?
?
?
?
?
.
?
?
?
0
0
.
0
0
0
A
n
y
b
i
t
p
a
r
a
m
e
t
e
r
Common
Common
NC
NO
NC
NO
08.041
Run button
Toggle
Auxiliary Button
08.042
Toggle
Keypad
Auxiliary Button
Destination
08.051
x(-1)
x(-1)
DI/O 12 State
Keypad Run Button
Invert/Toggle
Keypad Run
Button State
08.061
00.000
Keypad Run
Button Destination
??.???
??.???
Any
unprotected
bit parameter
08.062
00.000
??.???
??.???
Any
unprotected
bit parameter
08.052
Keypad Auxiliary
Button Invert/Toggle
mm.ppp
mm.ppp
Key
Read-write
(RW)
parameter
Read-only (RO)
parameter
Input
terminals
Output
terminals
The parameters are all shown in their default settings
AUTO
Reset
HAND
OFF

Table of Contents

Related product manuals