EasyManua.ls Logo

Polaris RANGER XP 1000 2018-2019

Polaris RANGER XP 1000 2018-2019
561 pages
To Next Page IconTo Next Page
To Next Page IconTo Next Page
To Previous Page IconTo Previous Page
To Previous Page IconTo Previous Page
Loading...
10
9929399 R01 - 2018-2019 RANGER XP/ CREW 900/1000 Service Manual
© Copyright Polaris Industries Inc.
10.5
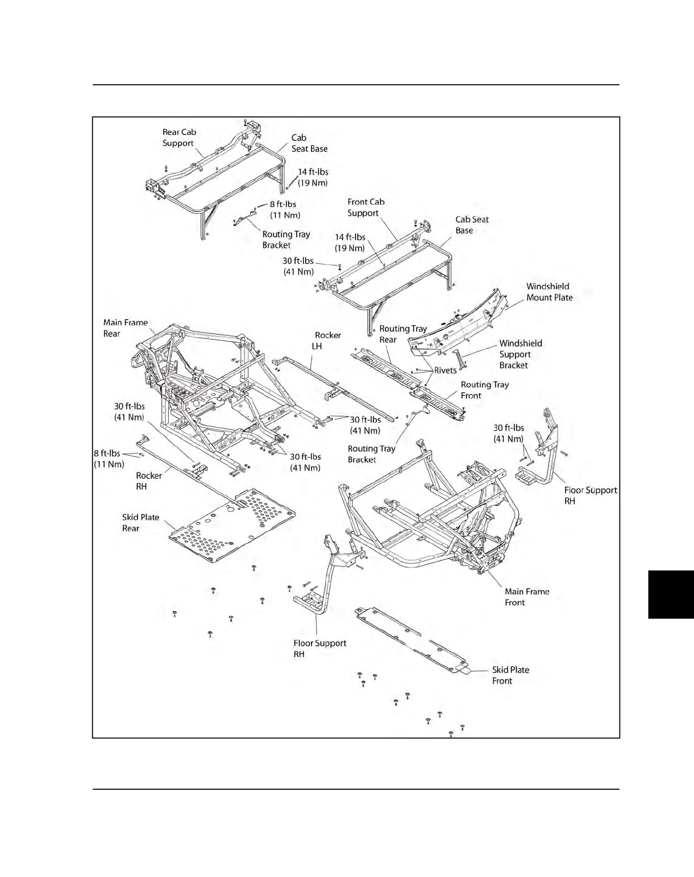
RANGER CREW
BODY / FRAME

Table of Contents

Related product manuals