EasyManua.ls Logo

Polaris RANGER XP 1000 2018-2019

Polaris RANGER XP 1000 2018-2019
561 pages
To Next Page IconTo Next Page
To Next Page IconTo Next Page
To Previous Page IconTo Previous Page
To Previous Page IconTo Previous Page
Loading...
3
9929399 R01 - 2018-2019 RANGER XP/ CREW 900/1000 Service Manual
© Copyright Polaris Industries Inc.
3.17
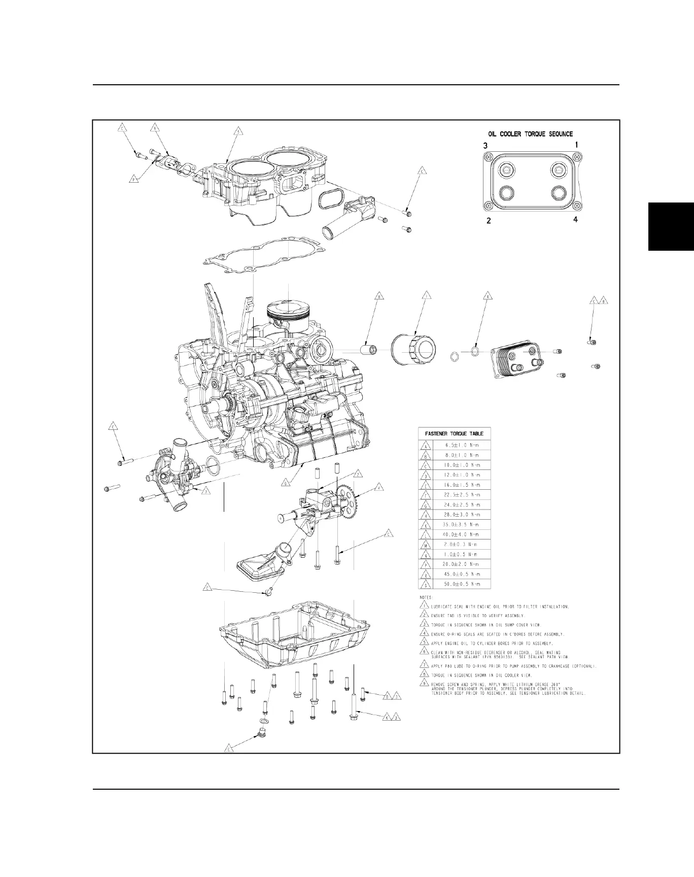
CYLINDER / OIL COOLER / OIL FILTER / OIL PUMP / OIL SUMP / WATER PUMP
ENGINE / COOLING / HVAC SYSTEM

Table of Contents

Related product manuals