EasyManua.ls Logo

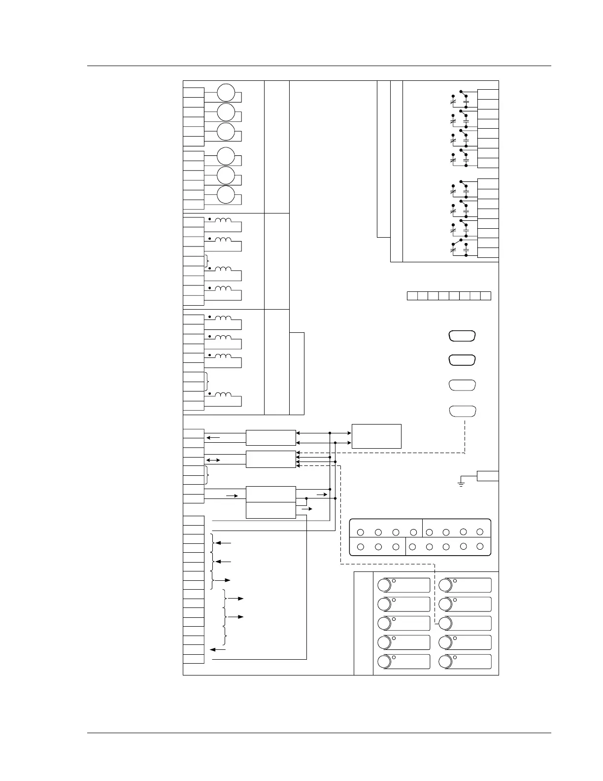
Schweitzer Engineering SEL-351P - Figure 3: SEL-351 P Relay Inputs, Outputs, and Communications Ports

Default Icon
674 pages
Print Icon
To Next Page IconTo Next Page
To Next Page IconTo Next Page
To Previous Page IconTo Previous Page
To Previous Page IconTo Previous Page
Loading...
Installation
SEL-351P Quick-Start Installation and User's Guide (Portuguese) 5
DB9PORT F (FRONT)
EIA-232
* OUT107 CAN OPERATE AS EXTRA ALARM
PORT 3 (SIDE)
PORT 2 (SIDE)
PORT 1 (SIDE)
ISOLATED
EIA-485
J
U
M
P
E
R
C
O
N
F
I
G
U
R
A
B
L
E
OUT101
A01
+
-
Battery Monitor/
Charger
12 Vdc Power
Supply
V
O
L
T
A
G
E
I
N
P
U
T
S
C
U
R
R
E
N
T
I
N
P
U
T
S
P
R
O
G
R
A
M
M
A
B
L
E
O
P
T
IO
IS
O
L
A
T
E
D
IN
P
U
T
S
IA
1
A17
IN
101
IN
102
IN
103
IN
104
IN
105
IN
106
A18
A19
A20
A21
A22
A23
A24
A25
A26
A27
A28
2
3
4
5
6
7
8
9
10
5
1
IB
IC
IN
VA
VB
VC
Chassis Ground
DB9
EIA-232
DB9
EIA-232 &
IRIG-B
OUT102
OUT103
OUT104
OUT105
OUT106
OUT107*
ALARM
A02
A03
A04
A05
A06
A07
A08
A09
A10
A11
A12
A13
A14
A15
A16
DWG: MP351P003
Not Connected
5
9
4
8
3
7
2
6
1
VS
Not Connected
P
R
O
G
R
A
M
M
A
B
L
E
O
U
T
P
U
T
C
O
N
T
A
C
T
S
O
R
D
E
R
I
N
G
O
P
T
I
O
N
6
2
7
3
8
4
Control Power
Supply
Not Connected
+
-
24 Vdc Power
Supply
120 Vac
24 Vdc
DB9WAKE-UP PORT (SIDE)
IRIG-B
+ -
12345678
(apertar por 3 seg.)
BLOQUEIO
SEF
HABILITADO
PROTEÇÃO
BLOQUEADA
TERRA
HABILITADO
DESPERTAR
RELIGADOR
FECHADO
HABILITADO
REMOTO
FECHAR
ALTERNATIVOS
AJUSTES
ABERTO
ABRIR
RELIGADOR
F
R
O
N
T
-
P
A
N
E
L
O
P
E
R
A
T
O
R
C
O
N
T
R
O
L
S
C
O
N
N
E
C
T
O
R
J
3
C
O
N
N
E
C
T
O
R
J
1
0
C
O
N
N
E
C
T
O
R
J
6
24 Vdc
12 Vdc
FRONT-PANEL TARGET LEDS
FONTE
CA
CONTROLE
HABILITADO
BATERIA
PROBLEMA
LINHA
VIVA
TRIP
CURVA
RÁPIDA
ALTA
CORRENTE
RELÉ
FREQ.
CICLORESET BLOQUEADO
A
B C N SEF
ESTADO DO CONTROLE TIPO DE FALTA
GROUND
1
9
2
10
3
11
C
O
N
N
E
C
T
O
R
J
5
4
12
5
13
6
14
7
15
8
16
Charger Control
Pressure Sensor
Whetting Voltage
Pressure Indication
52a
52b
trip
close
Capacitor
Voltages
trip
close
Actuator
Operators
Charger Power
Charger Power
+
-
+
-
+
-
24 Vdc
Return for 24 Vdc and
Charger Power
+
-
+
-
+
-
+
-
Recloser Status
+
Capacitor Return
RELIGAMENTO
HABILITADO
Figure 3: SEL-351P Relay Inputs, Outputs, and Communications Ports

Table of Contents