EasyManua.ls Logo

Schweitzer Engineering SEL-351P - Synchronism Check Elements Voltage Inputs; Synchronism Check Elements Operation

Default Icon
674 pages
Print Icon
To Next Page IconTo Next Page
To Next Page IconTo Next Page
To Previous Page IconTo Previous Page
To Previous Page IconTo Previous Page
Loading...
3-38 Overcurrent, Voltage, Synchronism Check, and Frequency Elements Date Code 990430
SEL-351P Manual Técnico
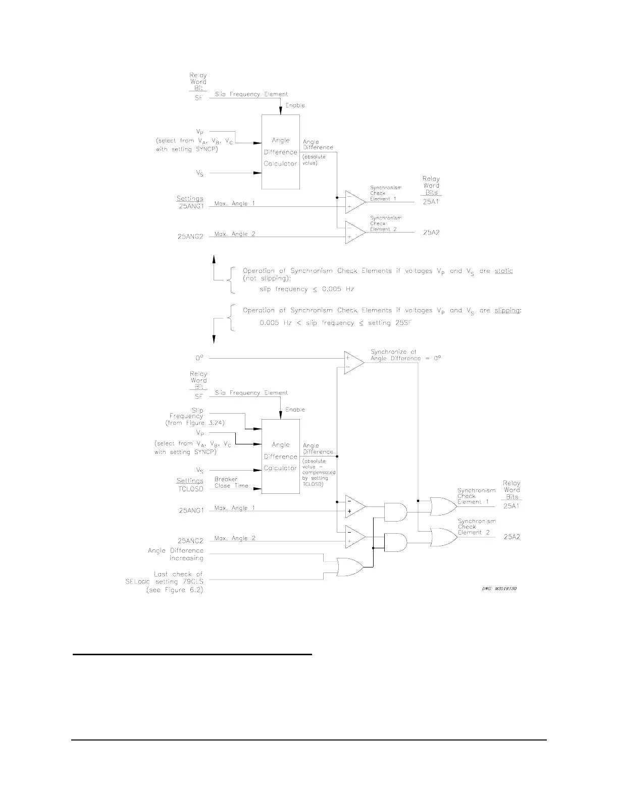
Figure SECTION 3: .25: Synchronism Check Elements
Synchronism Check Elements Voltage Inputs
The two synchronism check elements are single-phase elements, with single-phase voltage inputs
V
P
and V
S
used for both elements:
V
P
Phase input voltage (V
A
, V
B
, or V
C
), designated by setting SYNCP (e.g., if
SYNCP = VB, then V
P
= V
B
)

Table of Contents