EasyManua.ls Logo

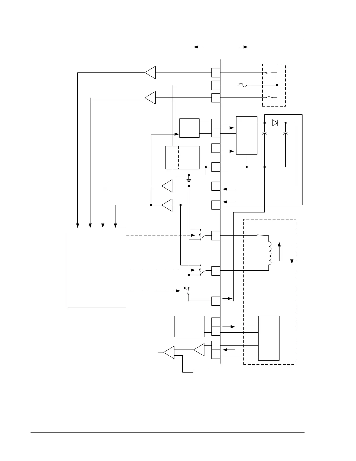
Schweitzer Engineering SEL-351P - Figure 4: Trip and Close Circuit, Breaker Status, and SF6 Pressure Connections

Default Icon
674 pages
Print Icon
To Next Page IconTo Next Page
To Next Page IconTo Next Page
To Previous Page IconTo Previous Page
To Previous Page IconTo Previous Page
Loading...
Installation
6 SEL-351P Quick-Start Installation and User's Guide (Portuguese)
13
1
5
Cap
Charger
16
9
6
14
7
15
CT
Charger
Control
+
-
Magnetic
Actuator
Manual
Isolator
close
trip
SF6 Gas
Pressure
Sensor
+
-
-
+
close
cap
charged
>20 V
trip
close
break
Trip
and
Close
Logic
3
11
-
+
2
10
4
12
-
+
low
pressure
pressure
Pressure
Sensor
Whetting
Voltage
24
Vdc
Charger
Power
setting
trip cap
fully
charged
ba
breaker
aux.
contacts
52b
52a
CONTROL
connector
J5
+
recloser (partial)
see
Note 1
Note 1: Terminal 9 is also the return for the 24 Vdc
whetting voltage on terminal 1, when
terminal 1 is paralleled to additional
applications (e.g., to whet opto-inputs
IN101 - IN106). Terminal 1 has a load limit
of 0.1 A and should be fused for
protection (Bussman GMD-0.125 fuse or
equivalent).
recloser
(partial)
DWG: M351P024A
see Note 1
SF6 low pressure warning threshold
8
-
inside
SEL-351P
outside
SEL-351P
Figure 4: Trip and Close Circuit, Breaker Status, and SF6 Pressure Connections

Table of Contents