EasyManua.ls Logo

Schweitzer Engineering SEL-351P - Page 112

Default Icon
674 pages
Print Icon
To Next Page IconTo Next Page
To Next Page IconTo Next Page
To Previous Page IconTo Previous Page
To Previous Page IconTo Previous Page
Loading...
1-16 Factory-Set Logic Date Code 990215
SEL-351P Manual Técnico
DWG: M351R069
SH4
SH3
SH2
SH1
OCG
Relay
Word
bit
Relay
Word
bits
OPGR = 2
OPGR = 3
OPGR = 4
OPGR = 5
OPGR = 1
Operations-ground
fast curve
setting
SH0
OPGR
OFF
79RS
79CY
79LO
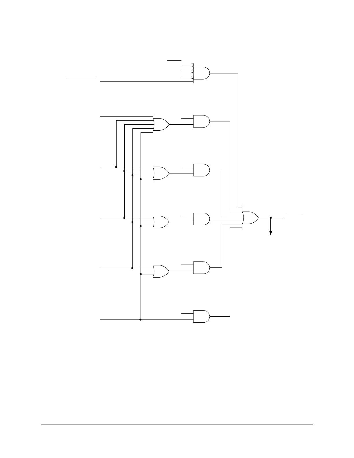
Used in the torque control
SEL
OGIC
settings 51N1TC
and 51G1TC to enable/
disable ground overcurrent
elements 51N1T (neutral)
and 51G1T (residual),
respectively (see Figure
1.15)
Figure SECTION 1: .7: Operations-Ground Fast Curve Logic

Table of Contents