EasyManua.ls Logo

Schweitzer Engineering SEL-351P - Page 200

Default Icon
674 pages
Print Icon
To Next Page IconTo Next Page
To Next Page IconTo Next Page
To Previous Page IconTo Previous Page
To Previous Page IconTo Previous Page
Loading...
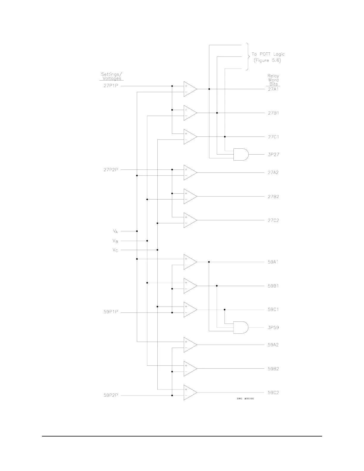
3-32 Overcurrent, Voltage, Synchronism Check, and Frequency Elements Date Code 990430
SEL-351P Manual Técnico
Figure SECTION 3: .21: Single-Phase and Three-Phase Voltage Elements

Table of Contents