EasyManua.ls Logo

Schweitzer Engineering SEL-351P - Page 241

Default Icon
674 pages
Print Icon
To Next Page IconTo Next Page
To Next Page IconTo Next Page
To Previous Page IconTo Previous Page
To Previous Page IconTo Previous Page
Loading...
Date Code 990430 Loss-of-Potential, Load Encroachment, and Directional Element Logic 4-19
SEL-351P Manual Técnico
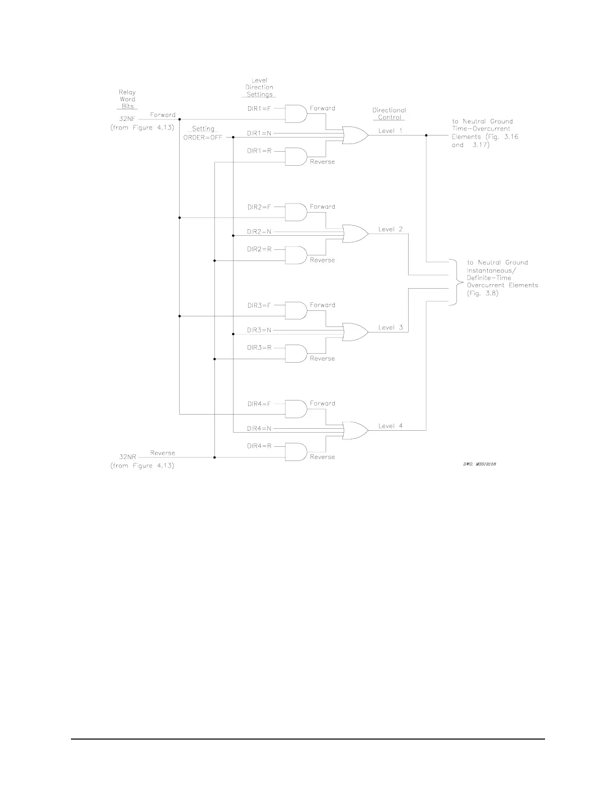
Figure SECTION 4: .15: Direction Forward/Reverse Logic for Neutral Ground
Overcurrent Elements

Table of Contents