EasyManua.ls Logo

Schweitzer Engineering SEL-351P - Page 367

Default Icon
674 pages
Print Icon
To Next Page IconTo Next Page
To Next Page IconTo Next Page
To Previous Page IconTo Previous Page
To Previous Page IconTo Previous Page
Loading...
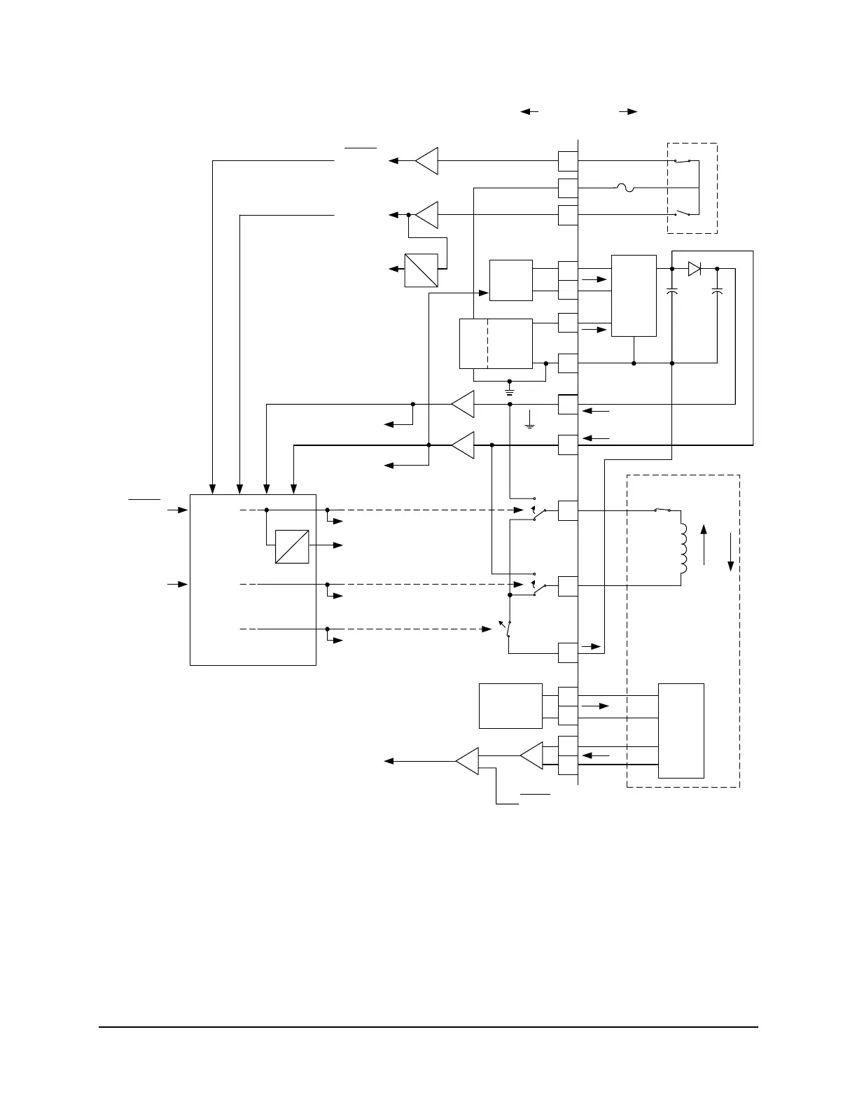
Date Code 990215 Inputs, Outputs, Timers, and Other Control Logic 7-43
SEL-351P Manual Técnico
Relay
Word
Bits
8
13
1
5
Cap
Charger
16
9
6
14
7
15
CT
Charger
Control
1
CYC
0.25
CYC
RAW52B
RAW52A
WB52A
(breaker
status)
+
-
TRCAP
CLCAP
Magnetic
Actuator
Manual
Isolator
close
trip
SF6 Gas
Pressure
Sensor
-
+
close
cap
charged
>20 V
0
30
CYC
WBTRT
WBTR
trip
WBCL
close
WBBRK
break
Final
Trip
and
Close
Logic
3
11
-
+
2
10
4
12
-
+
SF6LO
(low pressure)
pressure
Pressure
Sensor
Whetting
Voltage
setting
SF6PRS
trip cap
fully
charged
ba
breaker
aux.
contacts
Relay
Word
Bits
TRIP
(from Fig. 5.1)
CLOSE
(from Fig. 6.1)
52b
52a
CONTROL
connector
J5
recloser (partial)
see
Note 1
Note 1: Terminal 9 is the return for the 24 Vdc
whetting voltage on terminal 1, when
terminal 1 is paralleled to additional
applications (e.g., to whet opto-inputs
IN101 - IN106). Terminal 1 has a load
limit of 0.1 A and should be fused for
protection (Bussman GMD-0.125 fuse
or equivalent).
recloser (partial)
DWG: M351P024
see Note 1
+
-
24
Vdc
Charger
Power
+
-
inside
SEL-351P
outside
SEL-351P
Figure SECTION 7: .29: Trip and Close Circuit, Breaker Status, and SF6 Gas
Pressure Connections

Table of Contents