EasyManua.ls Logo

Siemens SIPART Series - 13.4 Positioner with flameproof enclosure 6 DR5..5

Siemens SIPART Series
292 pages
Print Icon
To Next Page IconTo Next Page
To Next Page IconTo Next Page
To Previous Page IconTo Previous Page
To Previous Page IconTo Previous Page
Loading...
Dimension drawings
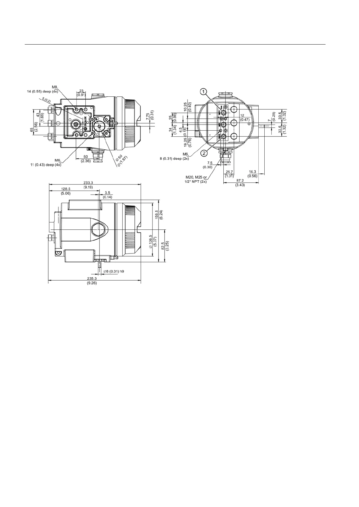
13.4 Positioner with flameproof enclosure 6DR5..5
SIPART PS2 with and without HART
258 Operating Instructions, 10/2013, A5E00074631-11
13.4
Positioner with flameproof enclosure 6DR5..5
All air connections G¼ or ¼ NPT
Air connection Y2, only with double-acting version
Figure 13-4 Version with flameproof enclosure, dimensions in mm (inch)

Table of Contents

Other manuals for Siemens SIPART Series

Related product manuals