EasyManua.ls Logo

SLE 5000 - Pneumatic Unit Schematics; SLE4000 Model H, K & N Schematic

SLE 5000
200 pages
Print Icon
To Next Page IconTo Next Page
To Next Page IconTo Next Page
To Previous Page IconTo Previous Page
To Previous Page IconTo Previous Page
Loading...
Page 182
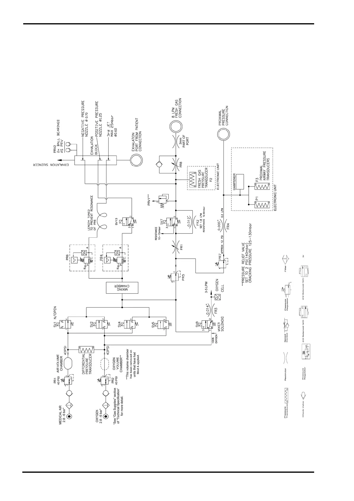
33. Pneumatic Unit Schematic
SLE4000 Model H, K & N
Below is a schematic representation of the
pneumatic unit of the ventilator.
Legend

Table of Contents

Related product manuals