EasyManua.ls Logo

Stratasys F900 - E-Stop Circuit

Stratasys F900
153 pages
Print Icon
To Next Page IconTo Next Page
To Next Page IconTo Next Page
To Previous Page IconTo Previous Page
To Previous Page IconTo Previous Page
Loading...
134
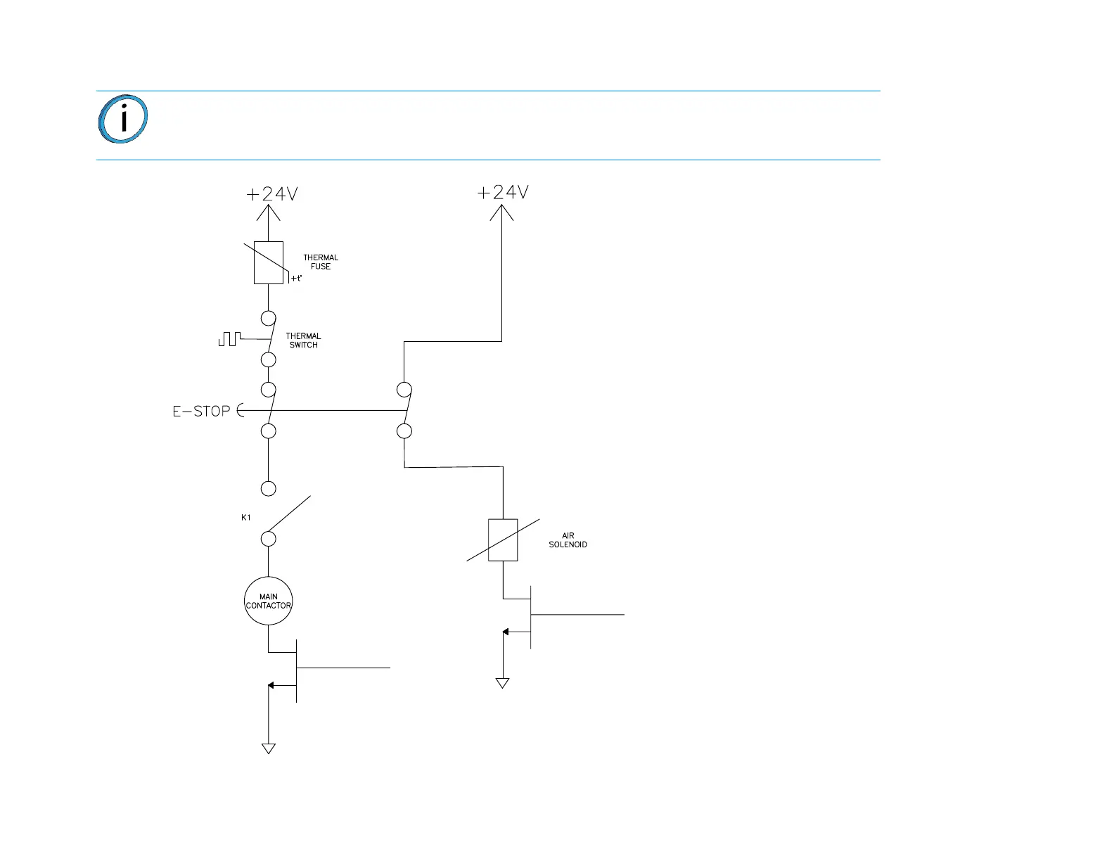
E-STOP CIRCUIT
Note: The following diagram represents the Gen II and Gen III versions only, serial numbers > 1030

Table of Contents

Related product manuals