EasyManua.ls Logo

Stratasys F900 - Safety Interlock Circuit

Stratasys F900
153 pages
Print Icon
To Next Page IconTo Next Page
To Next Page IconTo Next Page
To Previous Page IconTo Previous Page
To Previous Page IconTo Previous Page
Loading...
135
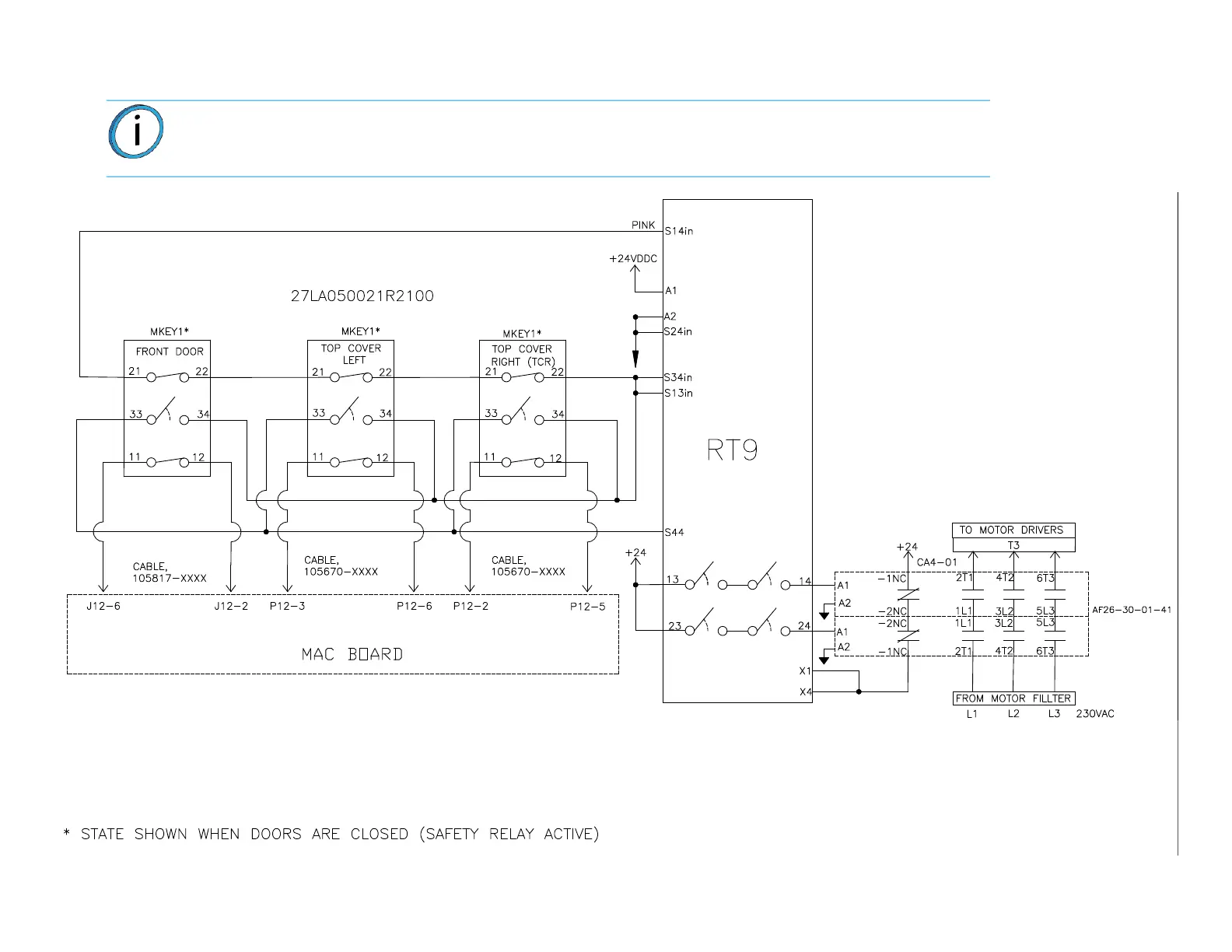
SAFETY INTERLOCK CIRCUIT
Note: The following diagram represents the Gen II and Gen III versions only, serial numbers > 1030
&
2
0
0
5
&
:
$
<

'
1
3
5
$
,
5
,

0
1

E
6
7
5
$
7
$
6<6/WG

Table of Contents

Related product manuals