EasyManua.ls Logo

Toro Workman HDX Auto - Front Compression Spring Service

Toro Workman HDX Auto
280 pages
Print Icon
To Next Page IconTo Next Page
To Next Page IconTo Next Page
To Previous Page IconTo Previous Page
To Previous Page IconTo Previous Page
Loading...
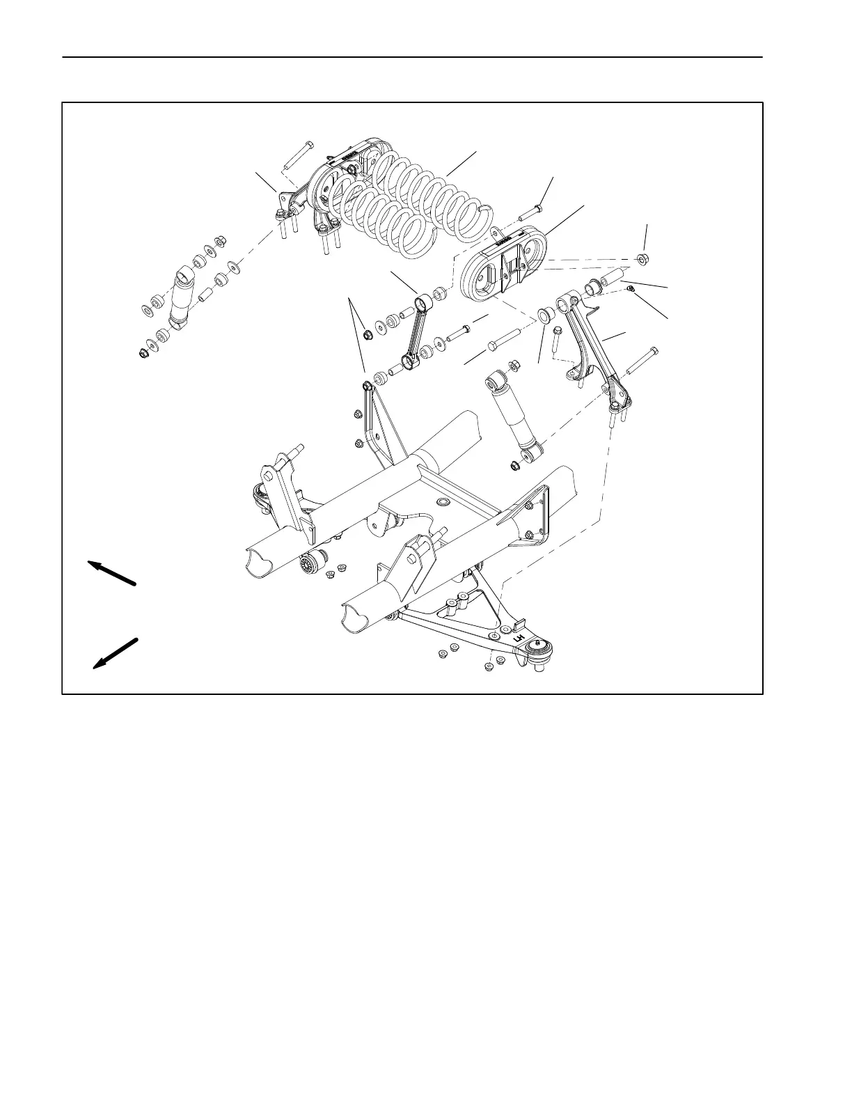
Workman HDX AutoPage 5 − 34Chassis
Front Compression Spring Service
1. Spring cradle (2)
2. Compression spring (2)
3. Flange nut
4. Cap screw
5. Stabilizer link
6. Lock nut
7. Cap screw
8. LH control arm tower
9. Spring pivot sleeve
10. RH control arm tower
Figure 25
2
3
4
7
6
1
5
9
8
10
11
12
4
FRONT
RIGHT

Table of Contents

Related product manuals