EasyManua.ls Logo

Toro Workman HDX Auto - 316000001 To 403430000)

Toro Workman HDX Auto
280 pages
Print Icon
To Next Page IconTo Next Page
To Next Page IconTo Next Page
To Previous Page IconTo Previous Page
To Previous Page IconTo Previous Page
Loading...
Page 9 -- 8
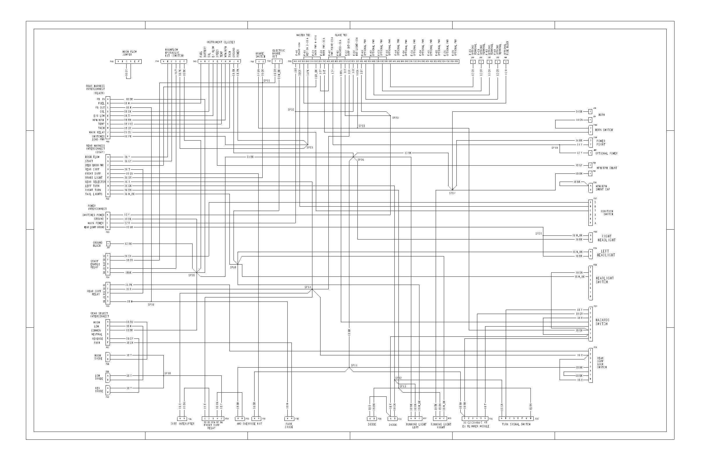
Front Wire Harness Diagram
Workman HDX Auto
122--0823 REV. B
D
C
B
A
654321
D
C
B
A
654321
(machine serial numbers
316000001 to 403430000)

Table of Contents

Related product manuals