EasyManua.ls Logo

Toro Workman HDX Auto - High Flow Hydraulics Gear Pump Flow and System Relief Pressure

Toro Workman HDX Auto
280 pages
Print Icon
To Next Page IconTo Next Page
To Next Page IconTo Next Page
To Previous Page IconTo Previous Page
To Previous Page IconTo Previous Page
Loading...
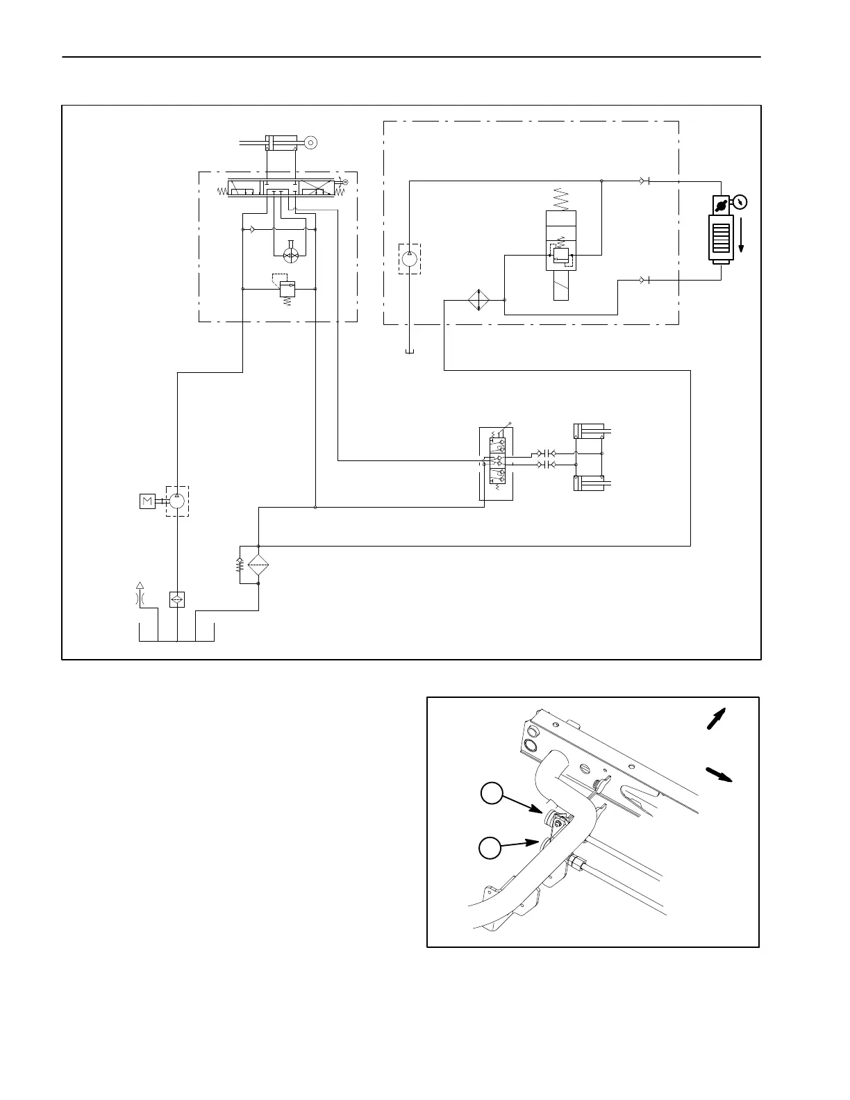
Workman HDX AutoPage 7 − 26Hydraulic System
High Flow Hydraulics Gear Pump Flow and System Relief Pressure
1800 PSI
P
RL
2.44
CIR
4.9 GPM
25
PSI
ENGINE
LIFT VALVE
0.33 in3/rev
GEAR PUMP
CONTROL
T E
100 MESH
EXTEND
0.519 in3/rev
GEAR PUMP
T
COOLER
DISCONNECT
COUPLINGS
OPTIONAL HIGH FLOW KIT
7.7 GPM
3600 / 1100 RPM
UNIT
STEERING
TO RAISE
OIL
2000
PSI
QUICK
B
A
SVRV
TESTER
Figure 22
NOTE: This test procedure is for the rear gear pump
section on Workman vehicles that are equipped with
High Flow Hydraulics. For testing the front pump section
on vehicles with this system, refer to the Gear Pump
Flow and System Relief Pressure Test in this section.
1. Pressure coupler (lower) 2. Return coupler (upper)
Figure 23
FRONT
LEFT
2
1

Table of Contents

Related product manuals