EasyManua.ls Logo

Toro Workman HDX Auto - Gear Pump Flow and System Relief Pressure

Toro Workman HDX Auto
280 pages
Print Icon
To Next Page IconTo Next Page
To Next Page IconTo Next Page
To Previous Page IconTo Previous Page
To Previous Page IconTo Previous Page
Loading...
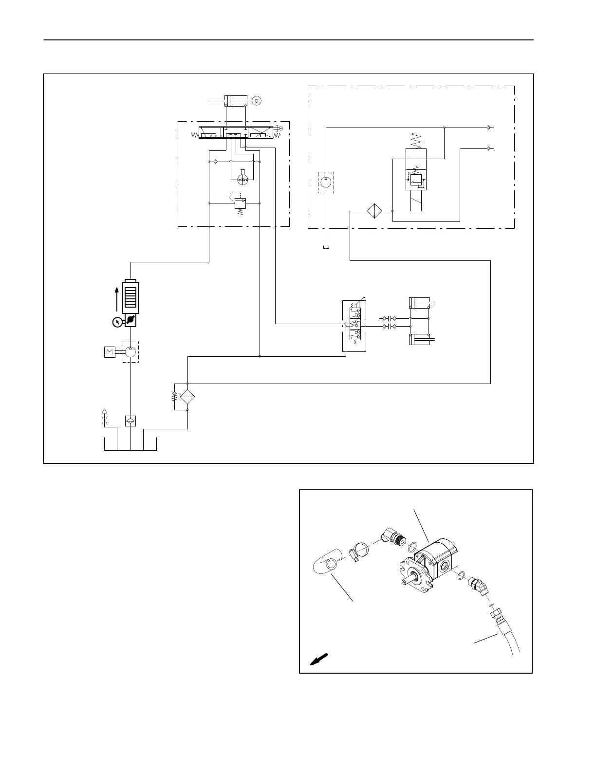
Workman HDX AutoPage 7 − 20Hydraulic System
Gear Pump Flow and System Relief Pressure
1800 PSI
P
RL
2.44
CIR
4.9 GPM
25
PSI
ENGINE
LIFT VALVE
0.33 in3/rev
GEAR PUMP
CONTROL
T E
100 MESH
EXTEND
0.519 in3/rev
GEAR PUMP
T
COOLER
DISCONNECT
COUPLINGS
OPTIONAL HIGH FLOW KIT
7.7 GPM
3600 / 1100 RPM
UNIT
STEERING
TO RAISE
OIL
2000
PSI
QUICK
B
A
SVRV
TESTER
Figure 17
NOTE: This test procedure is for the single section gear
pump used on vehicles with standard hydraulics. If ve-
hicle is equipped with High Flow Hydraulics, use this test
for the front pump section and refer to the High Flow Hy-
draulics Gear Pump Flow and Relief Pressure Test for
testing of the rear pump section.
1. Gear pump
2. Pressure hose
3. Suction hose
Figure 18
FRONT
1
2
3

Table of Contents

Related product manuals