EasyManua.ls Logo

Toro Workman HDX Auto - Numbers above 403430001)

Toro Workman HDX Auto
280 pages
Print Icon
To Next Page IconTo Next Page
To Next Page IconTo Next Page
To Previous Page IconTo Previous Page
To Previous Page IconTo Previous Page
Loading...
Page 9 -- 4
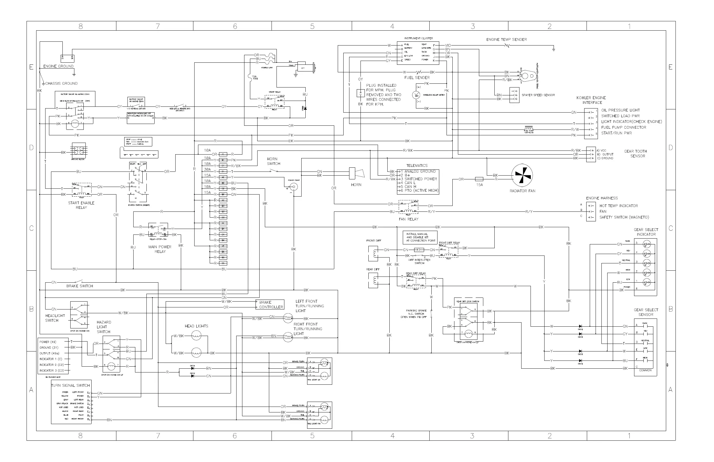
Vehicle Electrical Schematic
(Serial Numbers Above 403430001)
(All relays and solenoids are shown as de
energized.)
Workman HDX Auto
122--1466 Rev. A

Table of Contents

Related product manuals