EasyManua.ls Logo

Toro Workman HDX Auto - Steering Control Valve and Steering Cylinder

Toro Workman HDX Auto
280 pages
Print Icon
To Next Page IconTo Next Page
To Next Page IconTo Next Page
To Previous Page IconTo Previous Page
To Previous Page IconTo Previous Page
Loading...
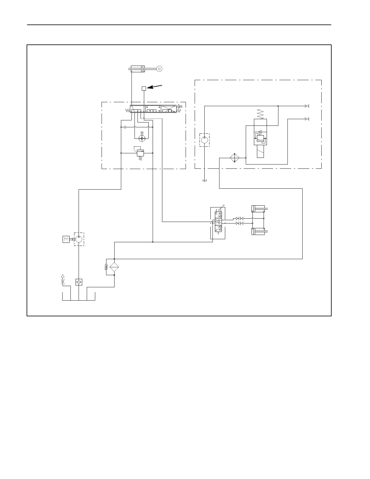
Workman HDX AutoPage 7 − 22Hydraulic System
Steering Control Valve and Steering Cylinder
1800 PSI
P
RL
2.44
CIR
4.9 GPM
25
PSI
ENGINE
LIFT VALVE
0.33 in3/rev
GEAR PUMP
CONTROL
T
E
100 MESH
EXTEND
0.519 in3/rev
GEAR PUMP
T
COOLER
DISCONNECT
COUPLINGS
OPTIONAL HIGH FLOW KIT
7.7 GPM
3600 / 1100 RPM
UNIT
STEERING
TO RAISE
OIL
2000
PSI
QUICK
B
A
SVRV
PLUG
ROTATED FOR
RIGHT TURN
Figure 19

Table of Contents

Related product manuals