EasyManua.ls Logo

Toro Workman HDX Auto - VEHICLE ELECTRICAL SCHEMATIC

Toro Workman HDX Auto
280 pages
Print Icon
To Next Page IconTo Next Page
To Next Page IconTo Next Page
To Previous Page IconTo Previous Page
To Previous Page IconTo Previous Page
Loading...
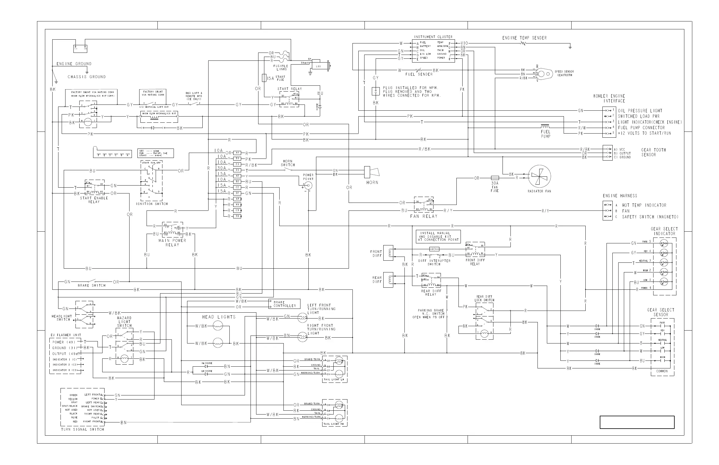
Page 9 -- 3
Vehicle Electrical Schematic
Workman HDX Auto
All relays and solenoids
are shown as de--energized.
122--0090 REV. B
D
C
B
A
654321
D
C
B
A
654321
(Serial Numbers 314000001 to 403430000)

Table of Contents

Related product manuals