EasyManua.ls Logo

Toro Workman HDX Auto - Below 316000000)

Toro Workman HDX Auto
280 pages
Print Icon
To Next Page IconTo Next Page
To Next Page IconTo Next Page
To Previous Page IconTo Previous Page
To Previous Page IconTo Previous Page
Loading...
Page 9 -- 6
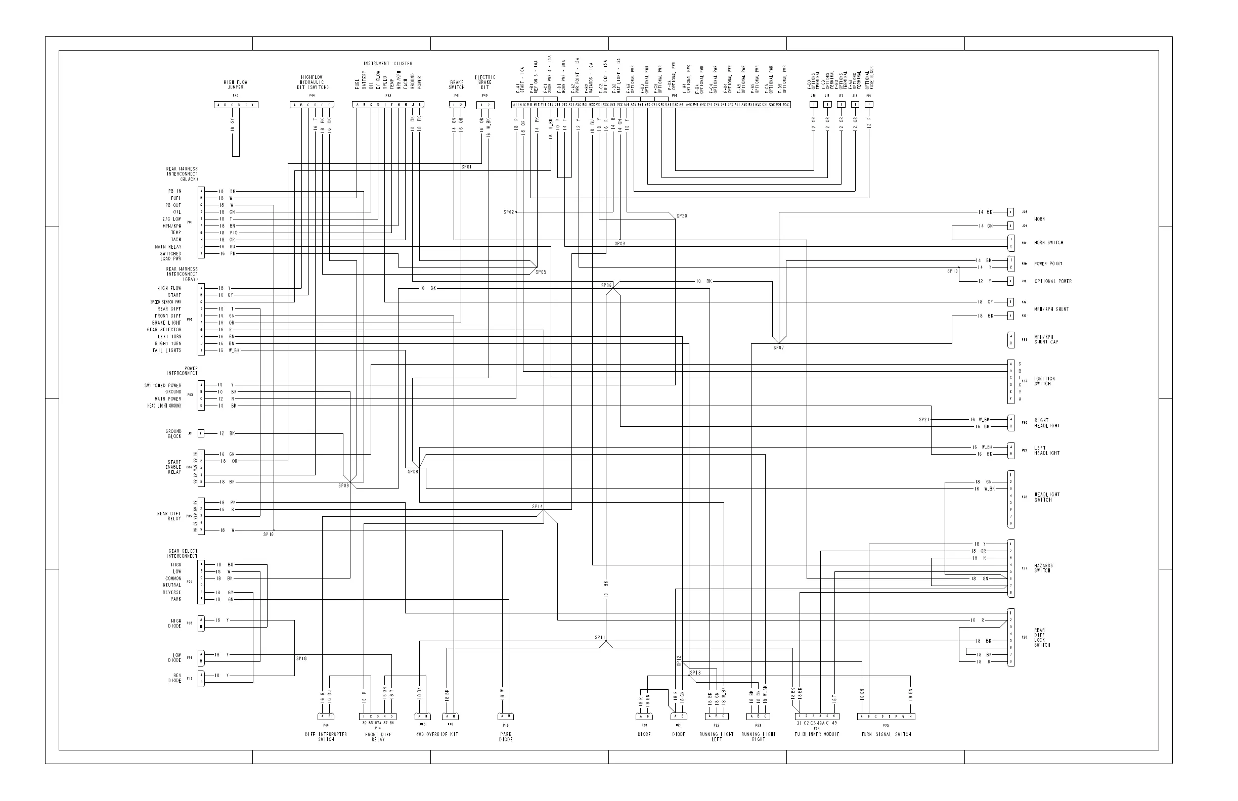
Front Wire Harness Diagram
Workman HDX Auto
122--0088 REV. D
D
C
B
A
654321
D
C
B
A
654321
(machine serial numbers
below 316000000)

Table of Contents

Related product manuals