EasyManua.ls Logo

Toro Workman HDX Auto - Page 278

Toro Workman HDX Auto
280 pages
Print Icon
To Next Page IconTo Next Page
To Next Page IconTo Next Page
To Previous Page IconTo Previous Page
To Previous Page IconTo Previous Page
Loading...
Page 9 -- 12
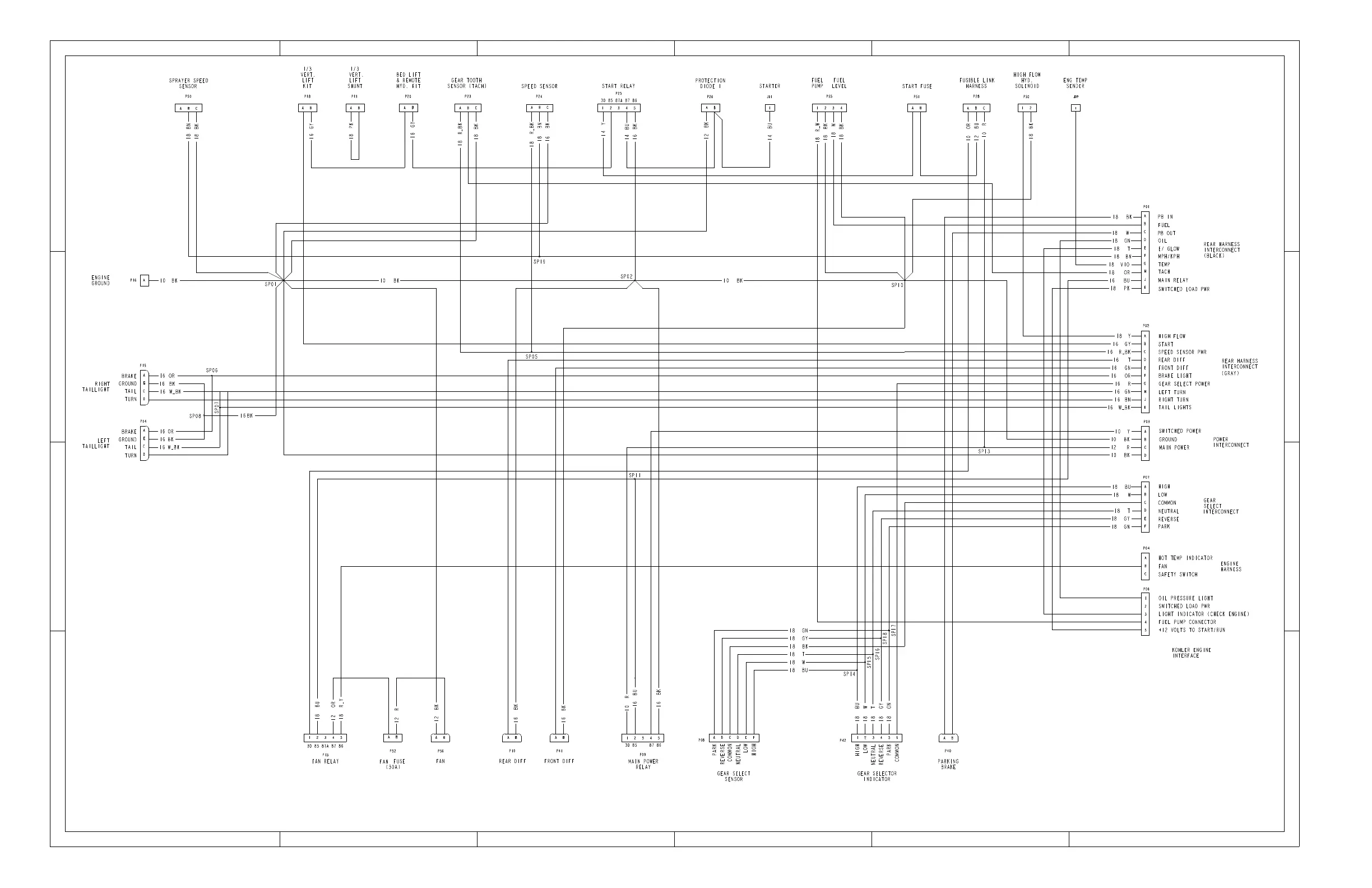
Rear Wire Harness Diagram
Workman HDX Auto
122--0089 REV. D
D
C
B
A
654321
D
C
B
A
654321

Table of Contents

Related product manuals