EasyManua.ls Logo

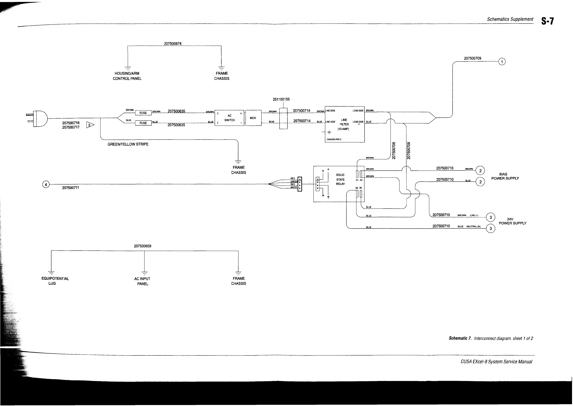
Valleylab CUSA EXcel-8 - Schematic 7. Interconnect Diagram, Sheet 1 of 2

Valleylab CUSA EXcel-8
239 pages
Print Icon
To Next Page IconTo Next Page
To Next Page IconTo Next Page
To Previous Page IconTo Previous Page
To Previous Page IconTo Previous Page
Loading...
Schematics
Supplement
S-7
207500678
HOUSING/ARM
FRAME
CONTROL
PANEL
CHASSIS
207500709
©
251100155
BROWN
Fuse
[BROWN
207500635
A
BROWN
207500714
prown|LINE
SIDE
LOAD
SIDE
|
BROWN
AC
MOV
BLUE
=
BLUE
BLUE
SWITCH
LI
BLUE
207500714
ave
lwesve
LINE
opspe
2075900716
[>
|
FUSE
|
207500635
2
i
LER
©
<
207500717
(10
AMP)
CHASSIS
PIN
E
GREEN/YELLOW
STRIPE
2
2
S
© ©
κ.
a a
FRAME
.
BROWN
(İN
207500710
BROWN
(2)
CHASSIS
|
SOLID
IB
ou
BIAS
aa:
=
STATE
M
207500710
Е
(2)
POWER
SUPPLY
4 RED
.
RELAY
©
207500711
==
τῇ
:
η
ez
81
LI
|
|
|
207500710
BROWN
LINE
(-)
24V
POWER
SUPPLY
BLUE
207500710
BLUE
NEUTRAL
(N)
(3)
РЕ
207500659
EQUIPOTENTIAL
AC
INPUT
FRAME
LUG
PANEL
CHASSIS
Schematic
7.
interconnect
diagram,
sheet
1
of
2
CUSA
EXcel-8
System
Service
Manual

Table of Contents

Related product manuals