EasyManua.ls Logo

Valleylab CUSA EXcel-8 - Schematic 12. Display Board Schematic, Sheet 3 of 6

Valleylab CUSA EXcel-8
239 pages
Print Icon
To Next Page IconTo Next Page
To Next Page IconTo Next Page
To Previous Page IconTo Previous Page
To Previous Page IconTo Previous Page
Loading...
Си
S-1
2
Schematics
Supplement
(61
[4,51
[2,3,4]
[219,41
(2,3,41
[6]
(2,3,4)
(2,3,4] (2,3,41
[61
[6]
[2,3,4]
[215.41
[215,41
(2,3,4]
te)
12,3,41
【2,3,4]
[2,3,41
[4]
[2,3.41
[2.3.4]
(2,3,41
(2,3,4]
(2,3,41
(61
SI9953DY
[2,3,4]
sl9956DY
Hs
088
ouliy
ts
161
ls
482
st
+
te
21
[SUL
O
Z
8
pe
19)
(21
[>-
6
iz
(LAL
1101
016
(a
(ZE
4162
DAT
>
2
OBI
+
[21
vit
41682
ZA
ET
O
S199560Y
S19956DY
isı
USO
pa
[6]
161
tic)
UBO
pia
C4
16]
a
DIB
;
çı
18
CD4
D2A
r
O
16
16)
pão
м
62
028
4
č
D25
(87
SI99560Y
AA
_S19955DY
isı
UM ma
16]
(61
ist
U36
pra
(i
261
D18
2
DIB
S
$2
Но
(61 (61
pls;
62
D28
puro
3
328
181
SI99560Y
pls
US!
pa
(6) 181
61
DIB
+252
D2A
16)
(61
G2
028
SI99560Y
16]
16)
161
161
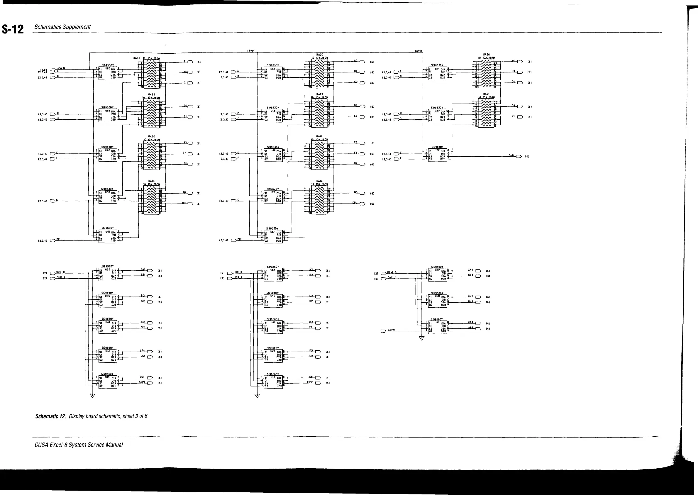
Schematic
12.
Display
board
schematic,
sheet
3
of
6
CUSA
EXcel-8
System
Service
Manual
i
i

Table of Contents

Related product manuals