EasyManua.ls Logo

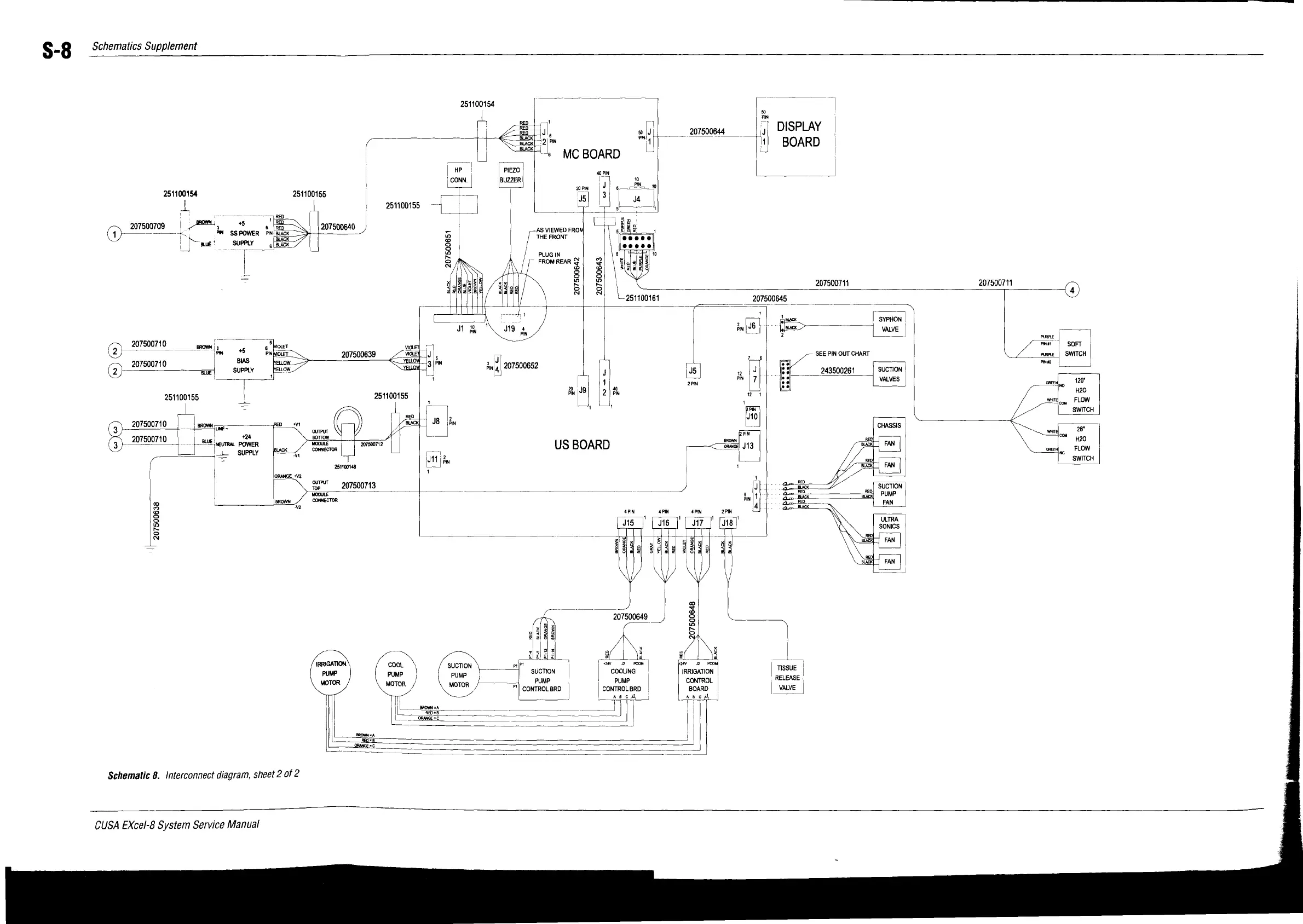
Valleylab CUSA EXcel-8 - Schematic 8. Interconnect Diagram, Sheet 2 of 2

Valleylab CUSA EXcel-8
239 pages
Print Icon
To Next Page IconTo Next Page
To Next Page IconTo Next Page
To Previous Page IconTo Previous Page
To Previous Page IconTo Previous Page
Loading...
S-8
Schematics
Supplement
251100154
__
207500644
-
Em
+
MC
BOARD
THE
FRONT
251100154
251100155
|
Us
251100155
E
207500709
AS
VIEWED
FROM
PLUG
IN
207500651
207500643
207500711
207500711
©
251100161
2075600645
;
увлек
ЗУРНОМ
la)
sre"
2
PURPLE
207500710
влом
nouer
vi
mar
|
SOFT
(2)-
вм
Ч
ὃν
4
kon
207500639
м
n
В
SEE
PIN
OUT
CHART
207500710
BIAS
3
[PIN
TE
SUPPLY
MELLOW
J
J5
İİİ.
243500261
SUCTION
TTT
1
x
lo
1
x
PN
|
7
VALVES
120º
H20
251100155
|
251100155
PIN
2
|
PN
12
1
ON
SWITCH
ロー
10
207500710
|
JAN
-
CHASSIS
=
207500710
Bu
|
+24
SH
H20
-一
POWER
US
BOARD
FLOW
SUPPLY
m]
a
©
switch
251100148
_
wet
207500713
207500638
ji
207500649
à
|
SUCTION
P
O
“TISSUE
|
SUCTION
COOLING
IRRIGATION
PUMP
RELEASE
|
|
PUMP
PUMP
|
CONTROL
"|
CONTROLBRD
|
CONTROLBRD
|
BOARD
|
|
VALVE
|
aac
A
ABCH
E
Schematic
8.
interconnect
diagram,
sheet
2
of
2
CUSA
EXcel-8
System
Service
Manual

Table of Contents

Related product manuals