EasyManua.ls Logo

Valleylab CUSA EXcel-8 - Page 235

Valleylab CUSA EXcel-8
239 pages
Print Icon
To Next Page IconTo Next Page
To Next Page IconTo Next Page
To Previous Page IconTo Previous Page
To Previous Page IconTo Previous Page
Loading...
S-26
Schematics
Suppiement
cre
LEVEL
Е
15)
115YUSB
4001
бл
Pos
+19KUSB
LM78LOS
|
,
85510
47
à
us
our
ve
I
od
|
lat
+15YUSB
657
668
2
c
C78
Ci00
cz
2
10UF
O1UF
S3UF
DWF
MU
AUF
5
n
y
$
|
$
$
+
İce
c
Sur
=—
tur
Rize
sok
50ν
20x
J2
FOOTSWITCH
ELK~AHIOSEB
PIEZO
SPEAKER
SPKRI
2
1
U
or
È
SNS
a
2
AS
#123
ca
İZ
15K
le
ーー
ur
İs
32
8
ELK-AHIO3EB
2N7909
=
PERES
2
DF4
M
121
Lo
Sis
2
L
ces
062
AUF
1UF
PAN
o
DO
S
y
Y I
ta
(21
IRG
LVL
121
CLG
LVL.
+24YSP
2
YX
+24VX
de
MP2
SUCTION
PUMP
17
IRRIGATION
JE
COOLING
2
A
3
3
MCUSGND
MCSPGND
x
CXGNO
12,3)
tay
123,4
TP14
JMP18
vaa
pp
|
5000
oo
12,5,6)
23,PRES
M
s
>
DEZDIA
3
667
05
|
a]
|
27000
659
tu
Mc14175
K
128-401
HP,
FBO
12)
+SVBIAS
HE362140510
‘bo
σσ
1231
I
TPIS
2
or
ol
HE
FELÇ,
oz
at
pa.
5
03
02
ra
12)
1
+5YUS к
м
15
HP_FB3
Lol
03
(a
an
Cu
мы
RSI
6109
100
TUF
Y
-160058
+5VBIAS
ο
ТРЗ
12.32
οι
26
RFPIDPOIL
10016
270008
+B\ASSENSE
12)
tov
20%
508C
ta
166
[αι
[BASE
La.
RET
LA
EM
~BIASSENSE
121
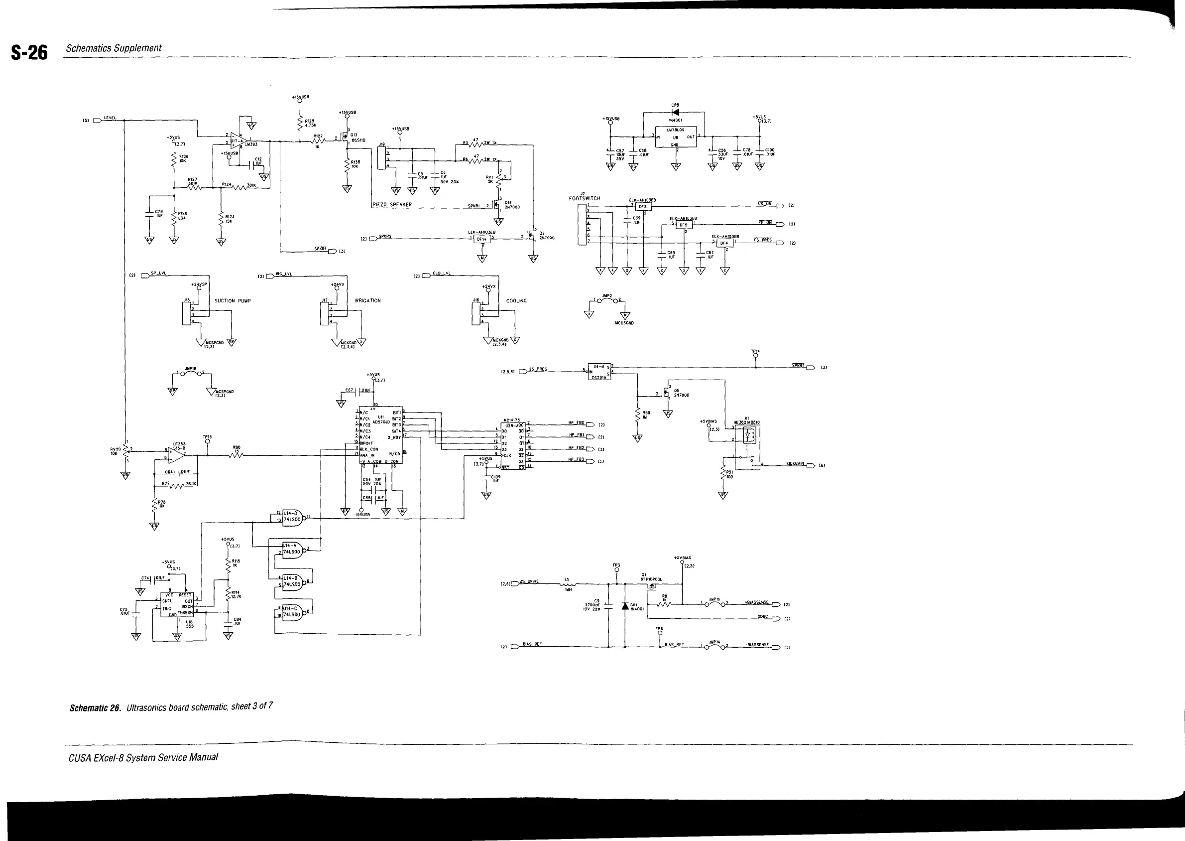
Schematic
26.
Ultrasonics
board
schematic,
sheet
3
of
7
CUSA
EXcel-8
System
Service
Manual

Table of Contents

Related product manuals