EasyManua.ls Logo

Vertical Express ICON 32 - Temporary Operation; Runbug Set Up

Vertical Express ICON 32
220 pages
Print Icon
To Next Page IconTo Next Page
To Next Page IconTo Next Page
To Previous Page IconTo Previous Page
To Previous Page IconTo Previous Page
Loading...
Temporary Operation Installation Section
©Vertical Express 1-6 Printed in USA April 2020
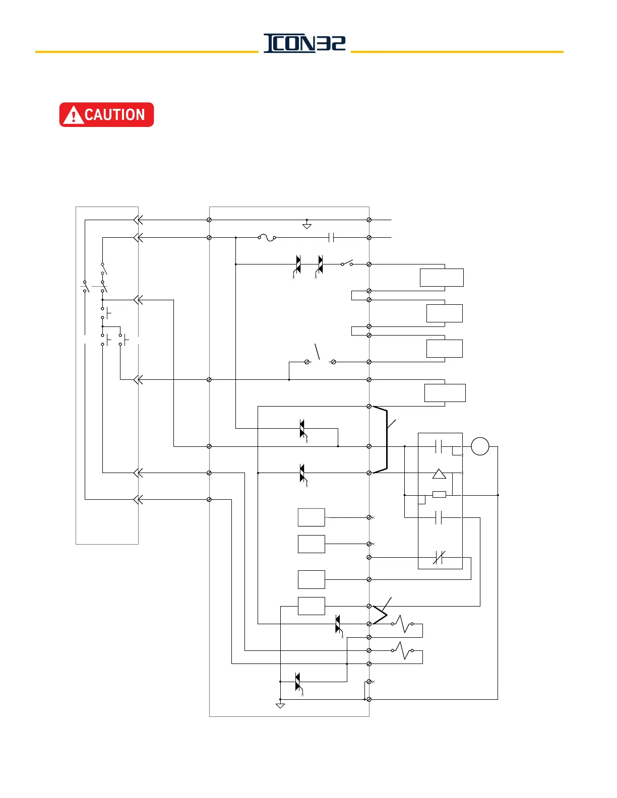
Temporary Operation
Only connect the approved thyssenkrupp pendant station (runbug, part number
9817323) for temporary operation. The pendant station connects directly to the
IOF Card (bottom left corner) at the connector “RUNBUG.”
Runbug Set Up For Electronic Starters - Confirm that there are Manufacturing installed temporary
run jumpers between MUTS/USS1 and 134/MCC1. See Figure 5.
For Across The Line Starters - See Figure 6 on page 1-7.
Figure 5 - Temporary Operation Pendant Station (RUNBUG) Connection for Electronic Motor Starting
AC2
RUN/STOP
ON/OFF
KEYSWITCH
ENABLE
REMOTE
INSPECTION
(RUNBUG)
IOF
FROM XFMR1 OR UPS
FROM XFMR1 OR UPS
MOTOR
PROTECTION
ADD WHEN
ON RUNBUG
MACHINE-ROOM
EPD's
HOISTWAY
EPD's
CAR
EPD's
NO JUMPER
ON RUNBUG
BYPASSED
BYPASSED
BYPASSED
MCC2
MC2
AC2
TR6
MCE
DSS1
DSS1
9:6
AC2
TR5
TR1
TR2
SCG2
9:2
121
9A:1
USS1
134134
USS1
TSRCPU
DOWN SLOW
MCD
DSS2
UP SLOWUP SLOW
MCC1
MCC2MCC2
MCC2
9:1
TR4
MCC1MCC1
MCF
RUN INPUT
FAULT
EMS?
FAULT
POWER
UP TO SPEED
SOFT START
-
9
-
10
-
11
-
4
-
12
-
2
-
1
-
3
-
5
-
6
-
7
-
8
USS2
TR3
RT
G24
131
9:5
AC2
EPEN
115
AC1SC
9:3
107
115
F-AC1SC
AC2
18:5
RUN/STOP
SAFSP
107
SAFCPU
102
AC2
9:4
X1
18:4
121
MUTS
131131
131
9A:2
MCE
INPUT x1
CPU
MCD
INPUT x1
CPU
MCF
INPUT x1
CPU
MUTS
INPUT x1
CPU
Note: COLOR CODING shown is for
9817323 run button units; other brands
must be wired according to CON TR
pin assignments.
(WHT)
(BLU)
(ORG)
(BLK)
(RED/BLK)
(WHT/BLK)
ADD WHEN
ON RUNBUG
DOWN
UP

Table of Contents